EasyManua.ls Logo

NEC HT410 - Connecting Video and Audio Sources

NEC HT410
80 pages
Print Icon
To Next Page IconTo Next Page
To Next Page IconTo Next Page
To Previous Page IconTo Previous Page
To Previous Page IconTo Previous Page
Loading...
E-16
AUDIO IN
LR
AUDIO OUT
L R
COMPONENT OUT
YCbCr
PC CONTROL
COMPUTER IN
VIDEO INAUDIO IN
S-VIDEO IN
R
L
AUDIO IN
AC IN
Cr/Pr
Cb/Pb
Y
COMPONENT IN
COMPONENT IN
AUDIO IN
Making Connections
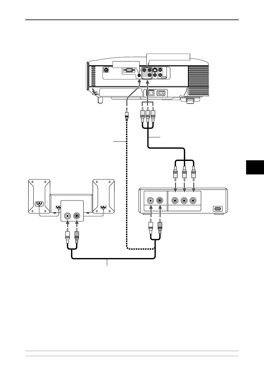
Connecting Your DVD Player
Audio cable (supplied)
Audio Equipment
You can connect your projector to a DVD player with component output or Video output. To do so, simply:
1. Turn off the power to your projector and DVD player.
2. If your DVD player has the component video (Y,Cb,Cr) output, use the supplied component video cable (RCA
3) to connect your DVD player to the COMPONENT IN connectors on the projector.
For a DVD player without component video (Y,Cb,Cr) output, use the supplied S-Video cable to connect a
composite VIDEO output of the DVD player to the Video Input of the projector.
Use an audio cable (supplied) to connect the audio from your VCR or laser disc player to your audio equip-
ment (if your VCR or laser disc player has this capability). Be careful to keep your right and left channel
connections correct for stereo sound.
3. Turn on the projector and DVD player.
NOTE: Refer to your DVD player’s owner’s manual for more information about your DVD player’s video output requirements.
DVD player
Component video RCA
3 cable
(supplied)
Audio cable (not supplied)
2. INSTALLATION AND CONNECTIONS

Table of Contents

Other manuals for NEC HT410

Related product manuals