EasyManua.ls Logo

Nespresso Gemini CS220 - Base Cabinet ­ Coiner

Nespresso Gemini CS220
102 pages
Print Icon
To Next Page IconTo Next Page
To Next Page IconTo Next Page
To Previous Page IconTo Previous Page
To Previous Page IconTo Previous Page
Loading...
Towerservicemanual
95
R E P A I R I N G
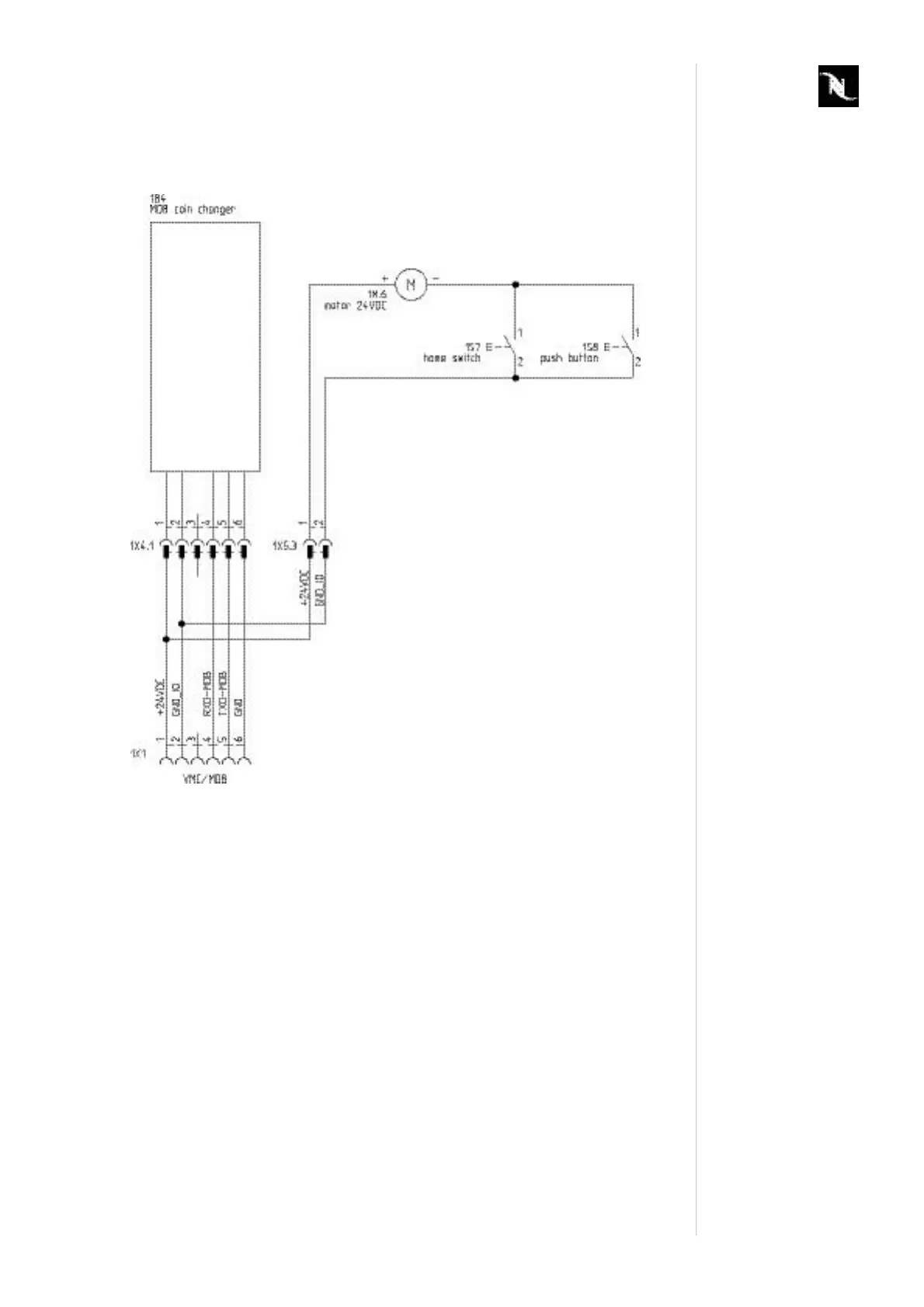
8.6.4 Basecabinetcoiner

Table of Contents

Related product manuals