EasyManua.ls Logo

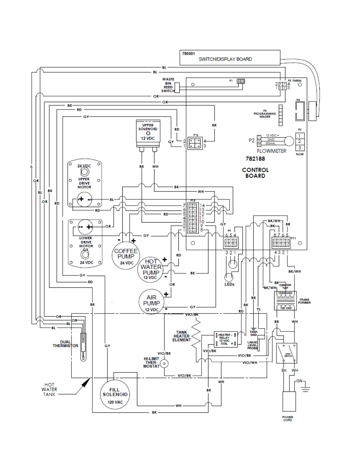
Newco FKP-4 - Machine Wiring Diagram

Newco FKP-4
21 pages
Print Icon
To Next Page IconTo Next Page
To Next Page IconTo Next Page
To Previous Page IconTo Previous Page
To Previous Page IconTo Previous Page
Loading...
19
WIRING DIAGRAM