EasyManua.ls Logo

Newlong DKN-2 - Main Frame, Bushings, Oil Gage, and Miscellaneous Oiling Parts

Newlong DKN-2
28 pages
Print Icon
To Next Page IconTo Next Page
To Next Page IconTo Next Page
To Previous Page IconTo Previous Page
To Previous Page IconTo Previous Page
Loading...
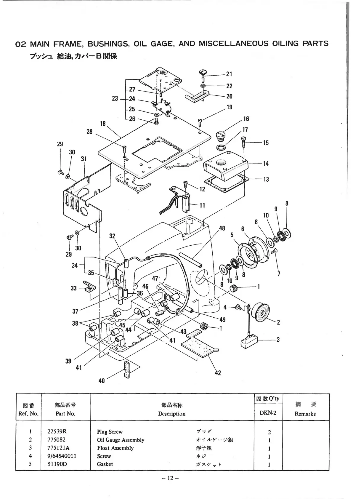
02
MAIN FRAME, BUSHINGS,
OIL
GAGE, AND
MISCELLANEOUS
OILING PARTS
7·:~:,-::::J..
~~ib,
1J~'-
B
00~
~
f$(Q'ty
jgrfl:
tm&
'
Mfi:~
tm&'bi5f*
~ ~
Ref. No. Part No. Description
DKN-2
Remarks
1 22539R
Plug Screw
77!/
2
2
775082
Oil Gauge Assembly
;t1Jv.Y-.Yil.
1
3 775121A
Float Assembly
ff=fkil
I
4
9/64840011 Screw
.:f..Y
1
5
511900
Gasket
'fi:A'r,l-
1
-
12-
From the library of: Superior Sewing Machine & Supply LLC

Related product manuals