EasyManua.ls Logo

Newlong DKN-2 - Crankshaft and Neeple, Lever Parts

Newlong DKN-2
28 pages
Print Icon
To Next Page IconTo Next Page
To Next Page IconTo Next Page
To Previous Page IconTo Previous Page
To Previous Page IconTo Previous Page
Loading...
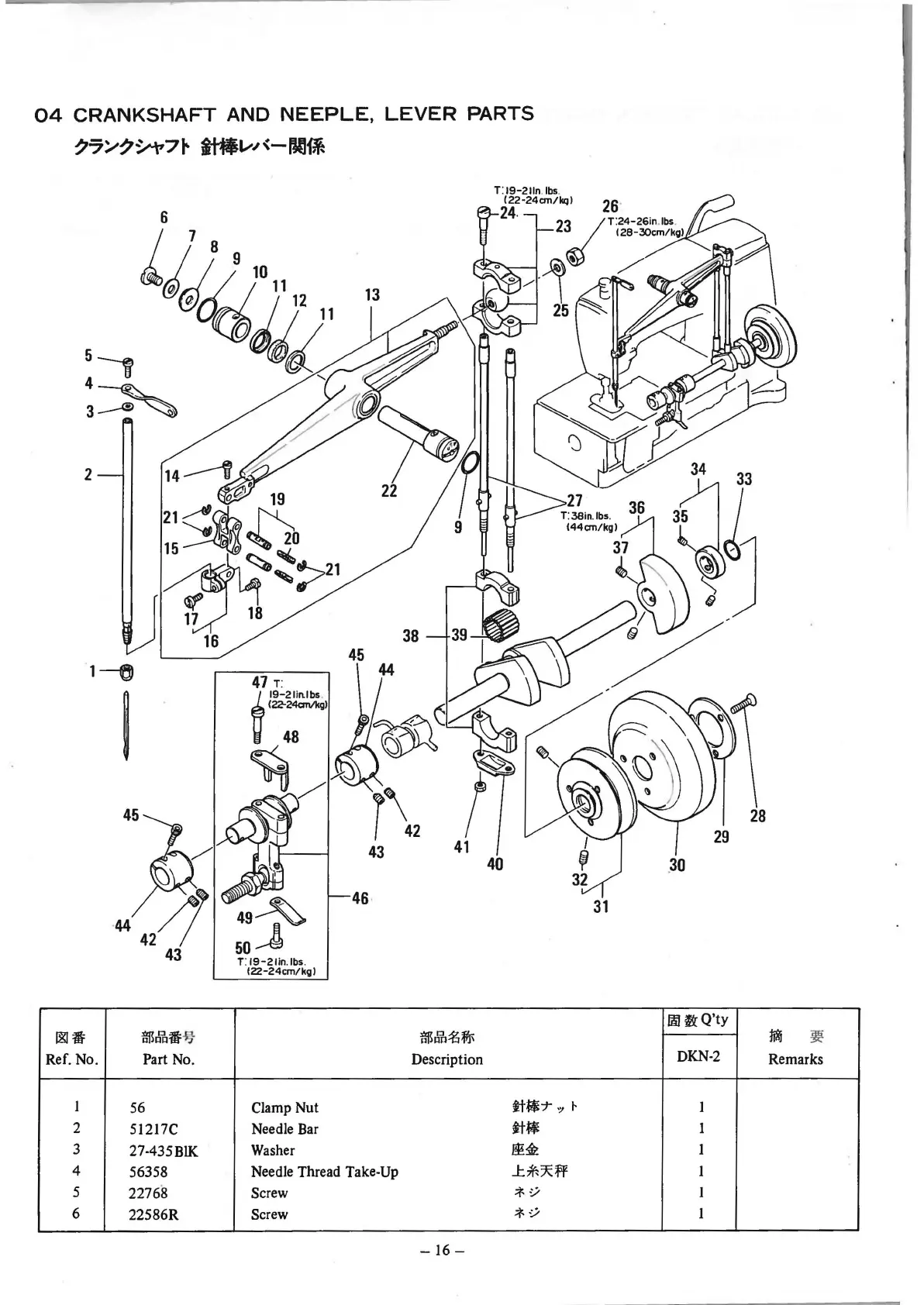
04
CRANKSHAFT
AND
NEEPLE,
LEVER
PARTS
?7~?~7~
j#Jvr~-n&J~
2
1----eJ
Ref. No.
I
2
3
4
5
6
i
45
·
44
/J
42
I
43
'lm&Mfi:
~
Part No.
56
512I7C
27-435BIK
56358
22768
22586R
T:
19-2fin
.
fbs
.
122-24cm/kQI
Clamp Nut
Needle Bar
Washer
45
44
43
46
·
Needle Thread Take-Up
Screw
Screw
tm&
=
M5f#f\
Description
tt~-:r
7
1-
it~
~~
1:*-:Rff
;t.,;
;t.,;
-16-
31
lim
f!c
Q'ty
mJ
~
DKN-2
Remarks
I
1
I
I
I
I
From the library of: Superior Sewing Machine & Supply LLC

Related product manuals