EasyManua.ls Logo

Newlong DKN-2 - Looper Rocker and Connecting Rod Parts

Newlong DKN-2
28 pages
Print Icon
To Next Page IconTo Next Page
To Next Page IconTo Next Page
To Previous Page IconTo Previous Page
To Previous Page IconTo Previous Page
Loading...
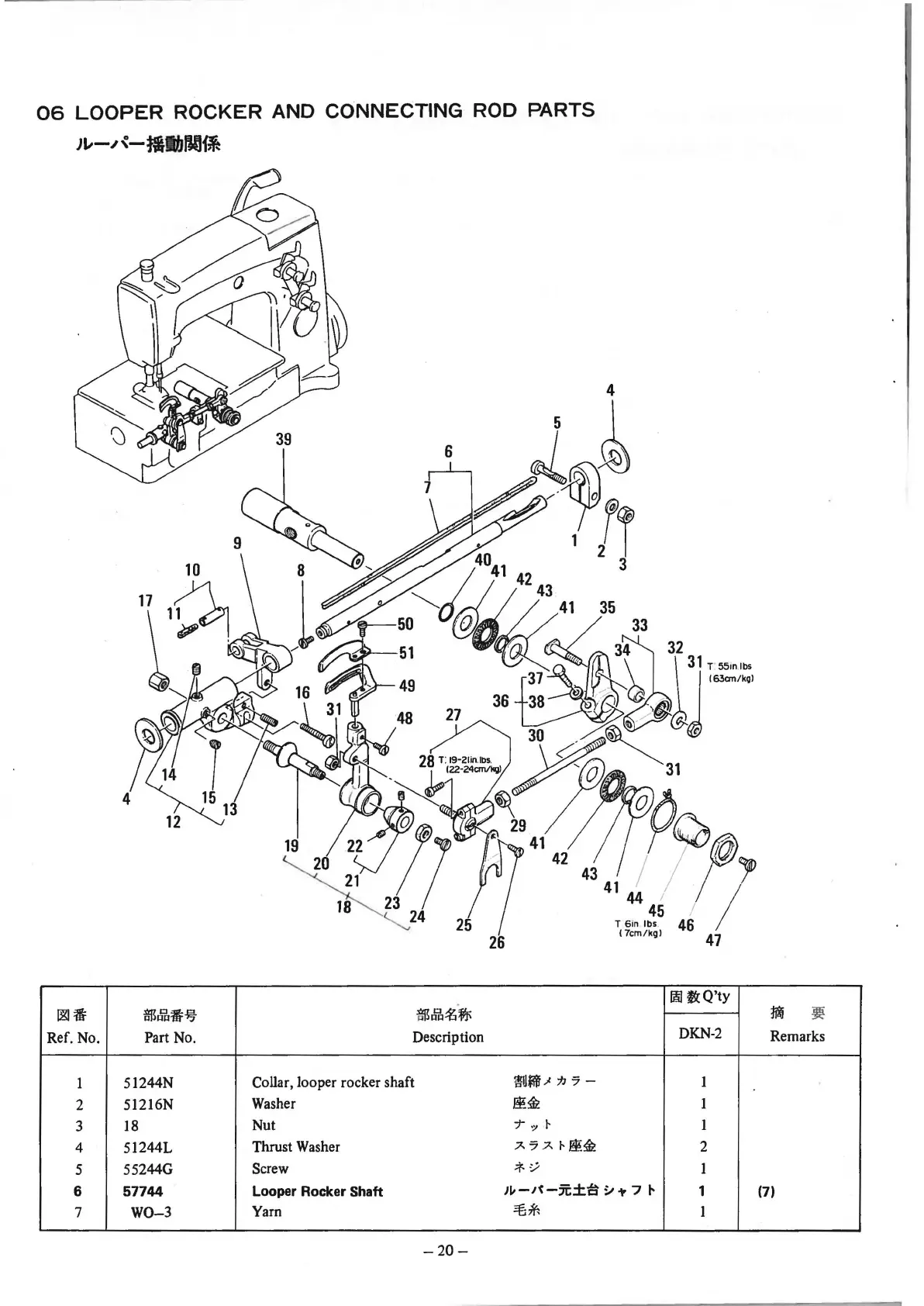
06
LOOPER
ROCKER
AND CONNECTING ROD PARTS
)I,-
.I
~--IIJJI)~
$JMJ:~
Ref. No.
Part No.
1
51244N
2
51216N
3
18
4 51244L
5
55244G
6 57744
7
W0-3
21
18
$~~~
Description
Collar, looper rocker shaft
Washer
Nut
Thrust Washer
Screw
Looper
Rocker
Shaft
Yarn
-20-
26
;mJf*;11J7-
~~
-r
':1
r
?.7?.1-~~
.:f.~
JJ,-J'C-x±~
~""
7"'
=€.*-
47
lim
I!{
Q'ty
mi
~
DKN-2
Remarks
1
1
I
2
I
1
(7)
I
From the library of: Superior Sewing Machine & Supply LLC

Related product manuals