EasyManua.ls Logo

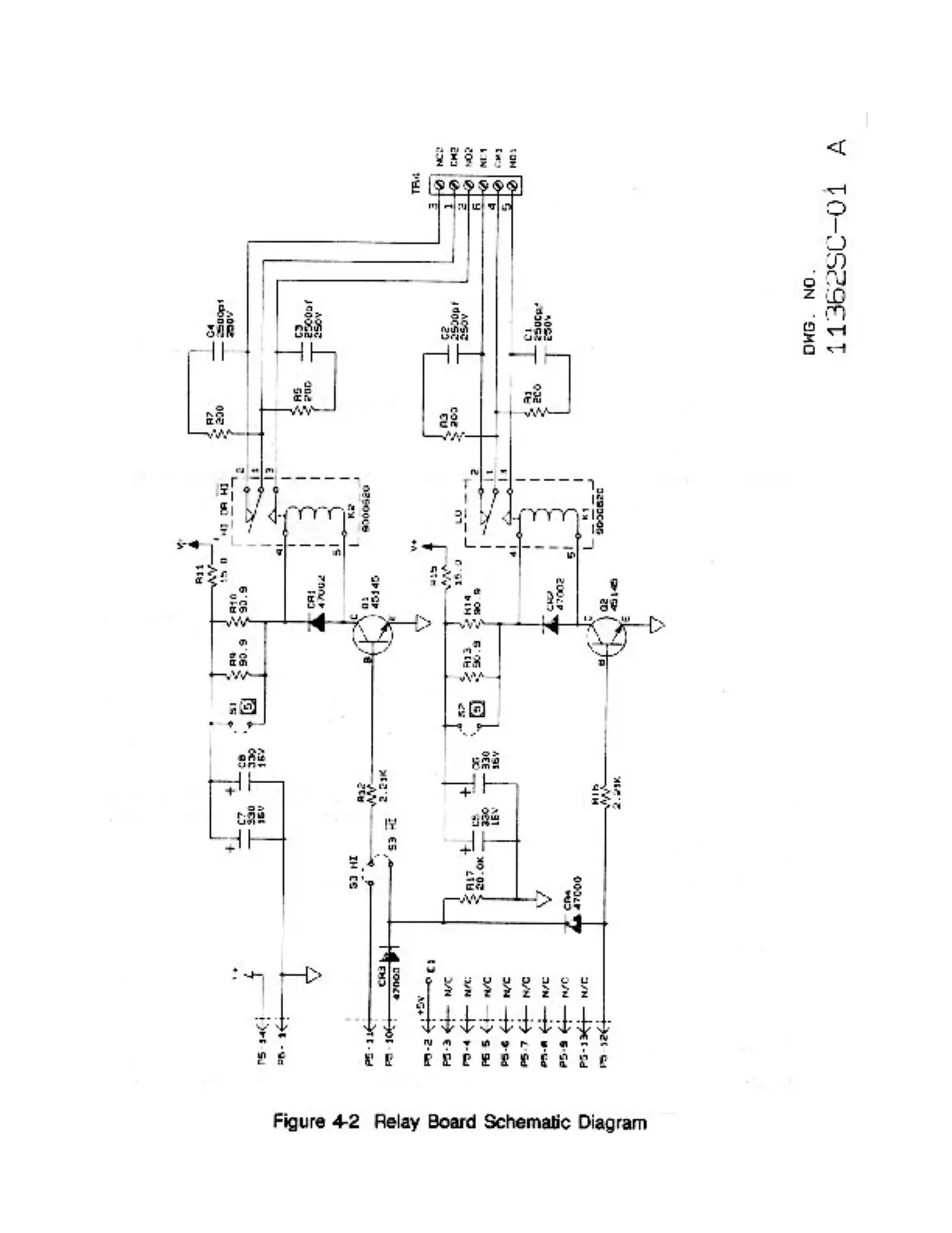
Newport Electronics P6000A - Figure 4-2 Relay Board Schematic Diagram

Newport Electronics P6000A
32 pages
Print Icon
To Next Page IconTo Next Page
To Next Page IconTo Next Page
To Previous Page IconTo Previous Page
To Previous Page IconTo Previous Page
Loading...
15

Table of Contents