EasyManua.ls Logo

NMC-WOLLARD TMPS-200 - Page 128

NMC-WOLLARD TMPS-200
248 pages
Print Icon
To Next Page IconTo Next Page
To Next Page IconTo Next Page
To Previous Page IconTo Previous Page
To Previous Page IconTo Previous Page
Loading...
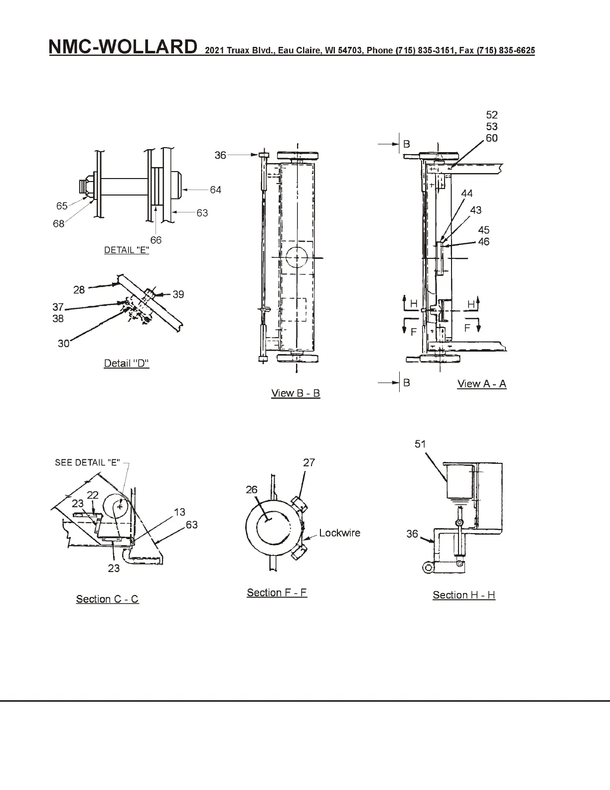
AUGUST 31, 2005 CHAPTER 4 REPAIR PARTS
PAGE 10 4 ILLUSTRATED PARTS LIST
Truck Mounted Passenger Stair TMPS-200 Manual No. 307559
FIGURE 3.
MAIN STAIR ASSEMBLY
2 OF 2

Table of Contents