EasyManua.ls Logo

Nokia RM-509 - Page 152

Nokia RM-509
194 pages
Print Icon
To Next Page IconTo Next Page
To Next Page IconTo Next Page
To Previous Page IconTo Previous Page
To Previous Page IconTo Previous Page
Loading...
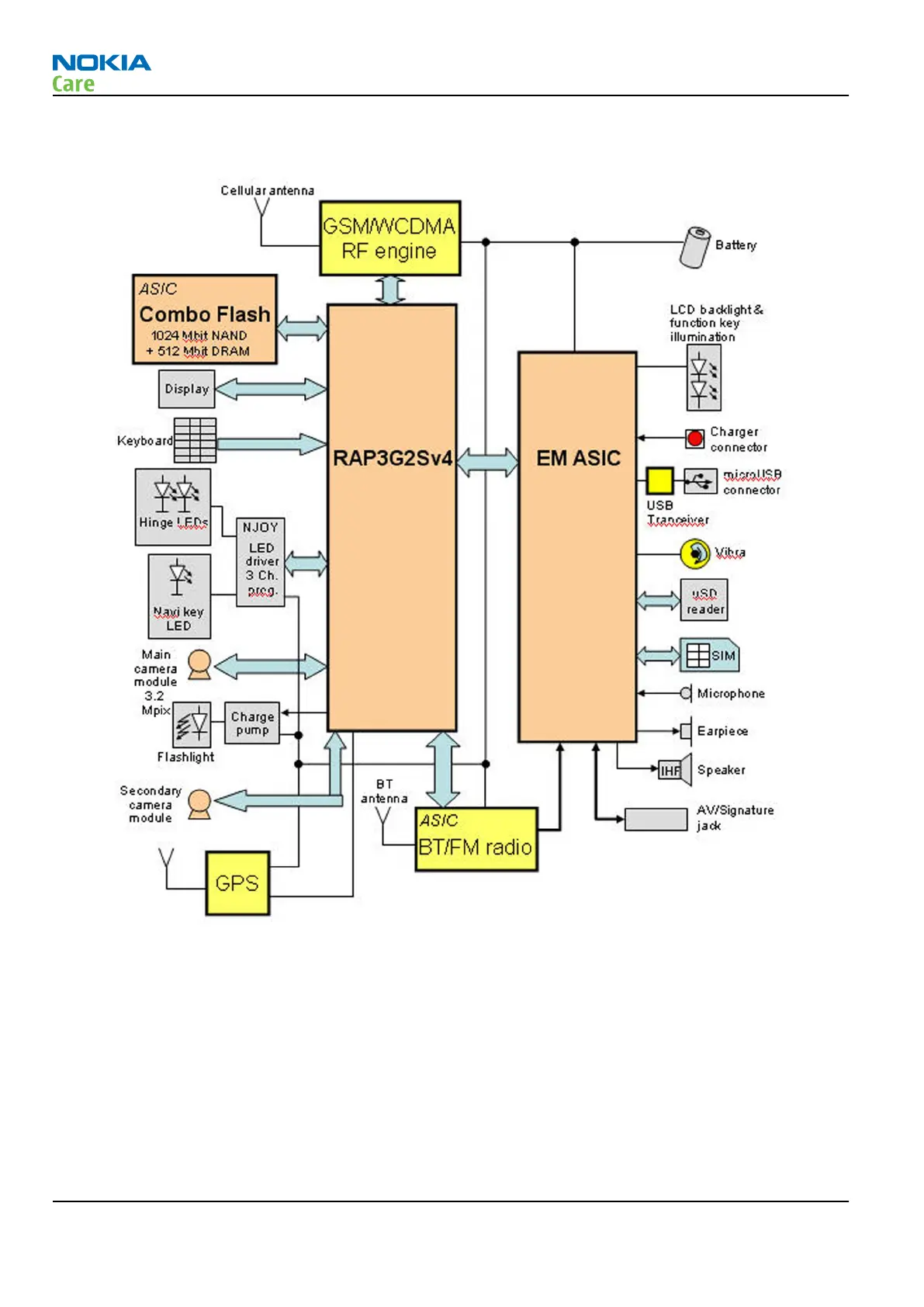
System module block diagram
RM-509; RM-510; RM-511
System Module
Page 5 –8 COMPANY CONFIDENTIAL Issue 2
Copyright © 2009 Nokia. All rights reserved.

Table of Contents

Related product manuals