EasyManua.ls Logo

Norcold N4000 - Graphique Et Schéma de Câblage

Norcold N4000
60 pages
Print Icon
To Next Page IconTo Next Page
To Next Page IconTo Next Page
To Previous Page IconTo Previous Page
To Previous Page IconTo Previous Page
Loading...
Manuel de l’utilisateur/manuel d’installation 14
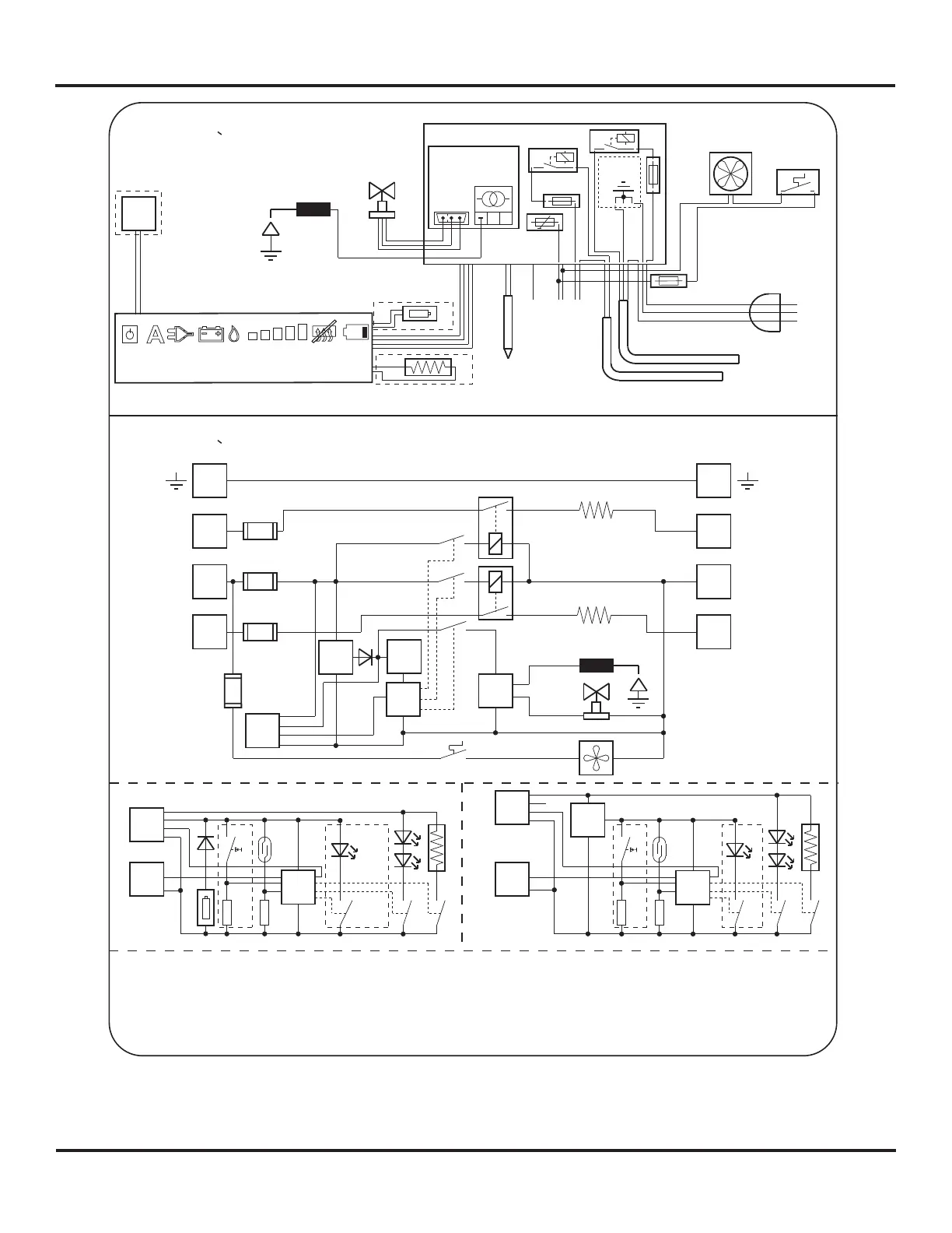
Graphique et schéma de câblage
120VAC/
120VCA
12VDC-HC +/
12VCC-HC +
12VDC-HC COM/
COM 12VCC-HC
AC heater / résistance CA
NL
DC heater / résistance CC
fuse 20A /
fusible 20A
WIRING DIAGRAM / SCHEMA DE CABLAGE
WIRING PICTORIAL / PLAN DE CABLAGE
691925
MODEL/MODELE N4104-N4141-N4150
TYPE U
MODEL/MODELE N4104-N4141-N4150
TYPE U
Power Control Module / Module Connexion de Puissance
Thermistor / Sonde
thermostatique
Display Module /
Panneau de commande
Divider heater (Double door only) / Anti
condensation (modèles double porte uniquement)
Battery pack (E option only) /
Boitier porte piles (pour
modèles LED uniquement)
Burner Control
Module / Module de
Contrôle Brûleur
Spark electrode /
Bougie à ionisation
Solenoid Gas valve /
Electrovanne de gaz
12VDC heater / résistance 12VCC
120VAC heater / résistance 120VCA
120VAC powercord /
cordon d’alimentation
120VCA
Engine Run/+ après contact
12VDC - LC / 12VCC-LC
12VDC - HC / 12VCC-HC
+-+-
Fuse 20A /
fusible 20A
Fuse 4A /
fusible 4A
Earth tab /
Terre
Power /
Mise en
marche
Source / Source
d'énergie
Level /
Sélecteur
Div. Heat. /
Anti
condensation
12VDC-LC +/
12VCC-LC +
fuse 4A /
fusible 4A
Resettable fuse
1.1A / Fusible
réarmable 1.1A
Solenoid gas valve /
Electrovanne de gaz
Spark electrode /
Bougie à ionisation
fuse 1.1A /
fusible 1.1A
BCM
µC
5V
PSU
to
DM
Comm.
µC
to
PCM
+12V-LC
+5V-DM
GND
Comm.
+12V-LC
+5V-DM
GND
4xA
B
10/11xC
D
HH
H
E
µC
5V
PSU
to
PCM
Comm.
+12V-LC
+5V-DM
GND
4xF
B
11xG
D
E
PCM
DM-LED
DM-LED+
DM-LCD
Thermoswitch / sonde thermique
Fan /
Ventilateur
Thermoswitch /
sonde thermique
Fan / Ventilateur
A) Push buttons: Power, Back, Mode/Enter, Next /
Commandes: Mise en marche, Retour, Valider, Suivant.
B) Reed switch / Contacteur
C) LED’s: 3x Source (4x in case of LED+), 5x Temperature,
Divider heater, battery (red) /
Modèle LED = 3 sources d'énergie (4x en cas de LED+), 5 sélections
de puissance, anti condensation, indicateur changement de piles (rouge)
D) Interior lights / Lumière intérieure
E) Divider heater (double door only) / Anti condensation (modèles double porte uniquement)
F) Push button Power and 3x touch switch: source, temperature, divider heater / Commandes : Mise
en marche et 3 commandes tactiles : Source d'energie, sélection de puissance, anti condensation
G) LCD symbols: auto mode, 3x source, 5x temperature, divider heater, 2 digit error code / modèle
LCD = mode automatique, 3 sources d'énergie, 5 sélections de puissance,anti
condensation, code erreur ( 2 chires).
H) CI-BUS only available as an option on DM-LED+ and DM-LCD
Batt. /
Batt.
Fuse 1A /
fusible 1A
fuse 1A /
fusible 1A
3V3
PSU
CI-
BUS
CI-
BUS
Connector
CI-
BUS
Remarque: Si l’un des ls d’origine fournis avec le réfrigérateur doit
être remplacé, il doit être remplacé par le l de type d’origine ou son
équivalent.

Table of Contents

Related product manuals