EasyManua.ls Logo

NTI Trinity TX51 - Primary-Secondary Plumbing (Non-Combi); Single System Circulator Configuration

NTI Trinity TX51
84 pages
Print Icon
To Next Page IconTo Next Page
To Next Page IconTo Next Page
To Previous Page IconTo Previous Page
To Previous Page IconTo Previous Page
Loading...
Boiler and Heating System Piping Tx I&O Manual
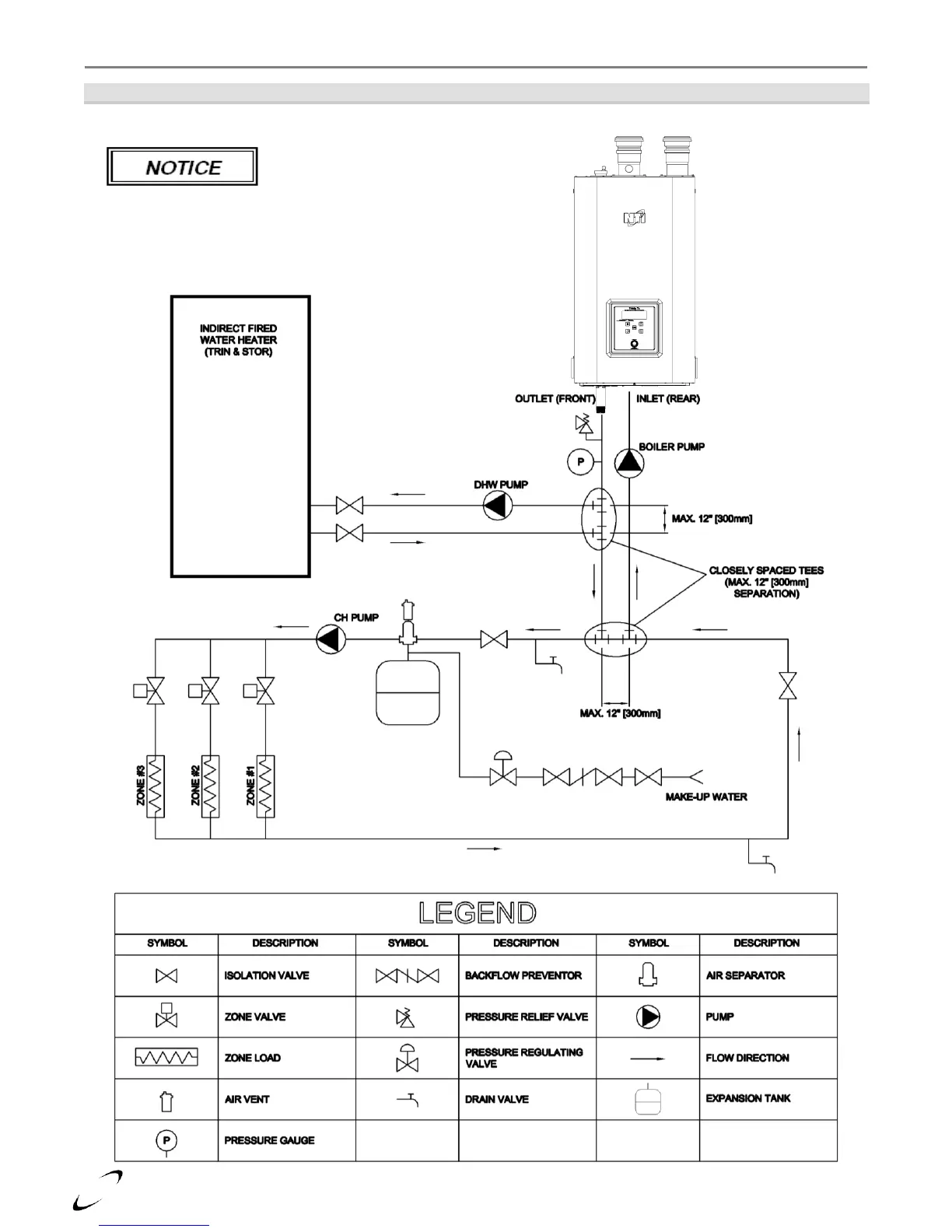
Figure 10-4 Tx51-200 Primary-Secondary Plumbing (non-Combi)
(Single System Circulator Configuration)
Figure illustrates the basic
plumbing requirements for
a Tx51-151 (non-Combi) boiler installation with a
single Central Heating circulator. Refer to Figures
10-2(a) and 10-2(b) for boiler fitting identification.

Table of Contents

Related product manuals