EasyManua.ls Logo

NTI Trinity TX51 - 13.0 Cascade Instructions; Communication Wiring and Boiler Setup; Plumbing and System Integration

NTI Trinity TX51
84 pages
Print Icon
To Next Page IconTo Next Page
To Next Page IconTo Next Page
To Previous Page IconTo Previous Page
To Previous Page IconTo Previous Page
Loading...
Tx I&O Manual Cascade Instructions
55
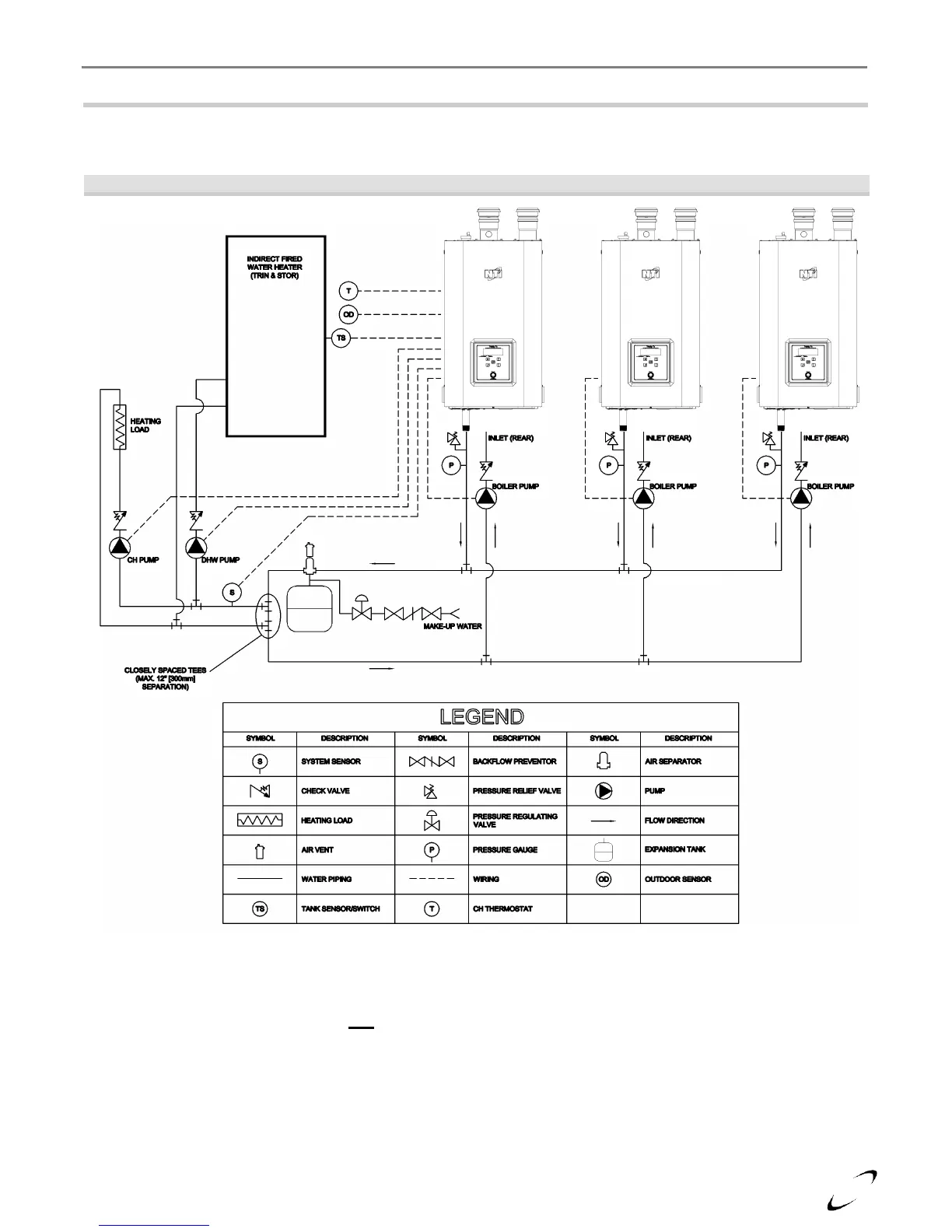
13.0 CASCADE INSTRUCTIONS
The Tx controller has the internal capacity to cascade (lead-lag / stage) up to 16 Tx boilers, without the use of an
external controller. Use the instructions detailed in this section to set-up and install the Tx cascade system.
Figure 13-1 Cascade Plumbing Schematic
Communication Wiring for each boiler in the cascade, wire in parallel electrical connections Argus Link (-)
and Argus Link (+), terminals 1 and 2 (see Figure 12-2).
Establish Managing Boiler choose one boiler to be the Managing Boiler, this boiler will receive all control
wiring and will be used for setting control parameters (see steps below). All non-Managing Boilers must have the
“S4” switch (located on the top right side of the control) switched OFF. *
* Note: the “S4” switch is factory set to ON. The switch is in the off position when it is closest to the “S4”
marking. The “S4” switch must remain in the ON position on the Managing Boiler.
Plumbing install the boilers in parallel in a primary/secondary plumbing configuration as illustrated in Figure
13-1. Size common piping as per Table 13-1.

Table of Contents

Related product manuals