EasyManua.ls Logo

Ntron MICROX - Recommended Sampling System Piping #2

Ntron MICROX
33 pages
Print Icon
To Next Page IconTo Next Page
To Next Page IconTo Next Page
To Previous Page IconTo Previous Page
To Previous Page IconTo Previous Page
Loading...
Microx User Manual
Rev. 1.2
V233P
Page 13
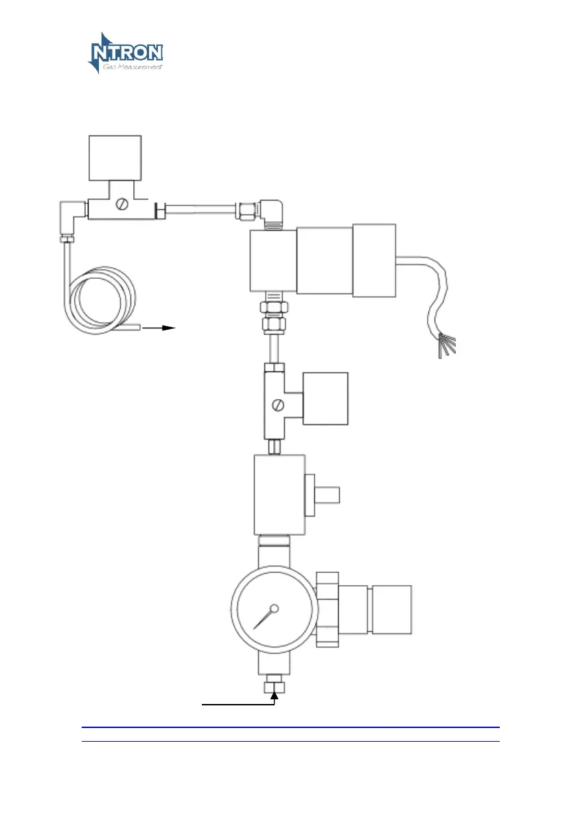
3.5 Recommended Sampling System Piping #2
(for flow-through type Sensor connection)
Regulator set to 5
PSIG Max.
For Electrochemical &
Zirconia Sensors, set
Flow Restrictor to
achieve a flow rate of
250ml/m.
Optional
Isolation Valve
for PPM
Sensors, Hand
or Solenoid
operated
Optional Isolation
Valve for PPM
Sensors, Hand or
Solenoid operated
Sample
Exhaust
Flow
Restrictor
Attach a suitable
length of piping
for the exhaust
as illustrated.
Sample Input

Related product manuals