EasyManua.ls Logo

Nussbaum Sprinter NT - Hydraulic Diagram; Hydraulic Part List

Nussbaum Sprinter NT
40 pages
Print Icon
To Next Page IconTo Next Page
To Next Page IconTo Next Page
To Previous Page IconTo Previous Page
To Previous Page IconTo Previous Page
Loading...
Operating Instruction and Documentation
Sprinter NT
- 13 -
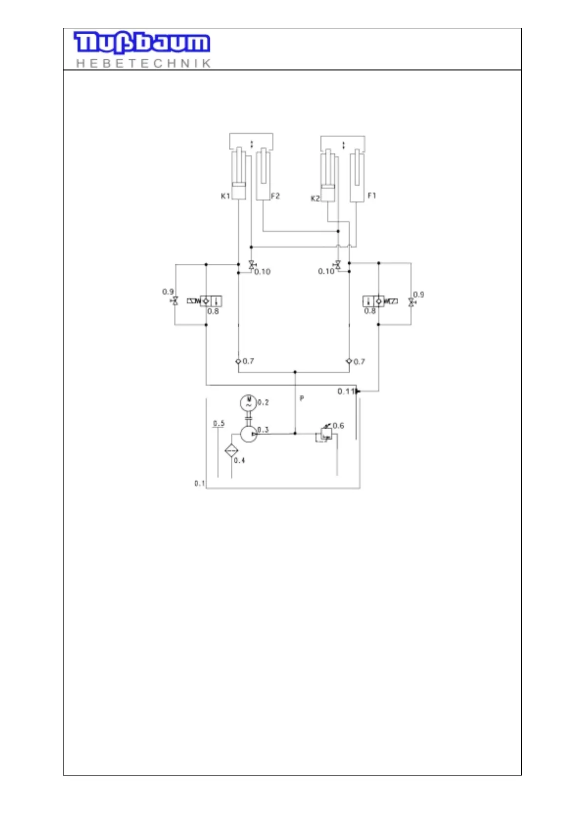
3.5 Hydraulic diagram
Hydraulic parts list
0.1
Oiltank
0.2
Suboilmotor
0.3
Gear pump
0.4
Filter
0.5
Oil level gauge
0.6
Pressure control valve
0.7
Holding valve
0.8
Electrical control valve
0.9
Emergency lowering screw
0.10
Equalisation screw
0.11
Flow control valve Ø1,5 mm
K1 commando cylinder 1
F1 slave cylinder 1
K2 commando cylinder 2
F2 slave cylinder 2

Related product manuals