EasyManua.ls Logo

Nussbaum Sprinter NT - Electrical Diagram Drawing; Electrical Part List

Nussbaum Sprinter NT
40 pages
Print Icon
To Next Page IconTo Next Page
To Next Page IconTo Next Page
To Previous Page IconTo Previous Page
To Previous Page IconTo Previous Page
Loading...
Operating Instruction and Documentation
Sprinter NT
- 15 -
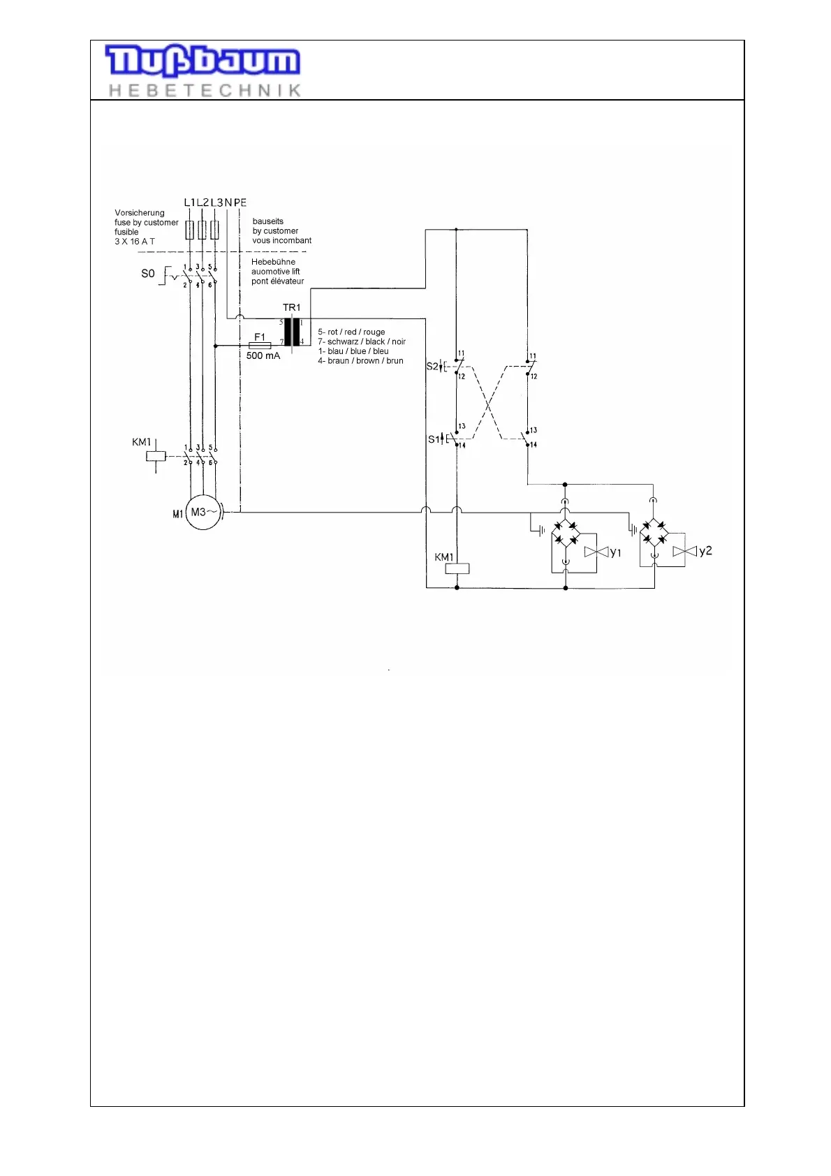
3.7 Electrical diagram drawing
Electrical part list
Pos. designation part number
A1 main switch 990129
KM1 up contactor 990214
T1 button „lifting“ 990334
T2 button „lowering“ 990334
y1 coil + plug 981393 + 981392
y2 coil + plug 981393 + 981392
F1 fuse 500 mA 990649
TR1 transformer 990659
M1 motor 990445

Related product manuals