EasyManua.ls Logo

NUVE EN 032 - 055 And en 120 Electrical Circuit Diagram

Default Icon
21 pages
Print Icon
To Previous Page IconTo Previous Page
To Previous Page IconTo Previous Page
Loading...
21
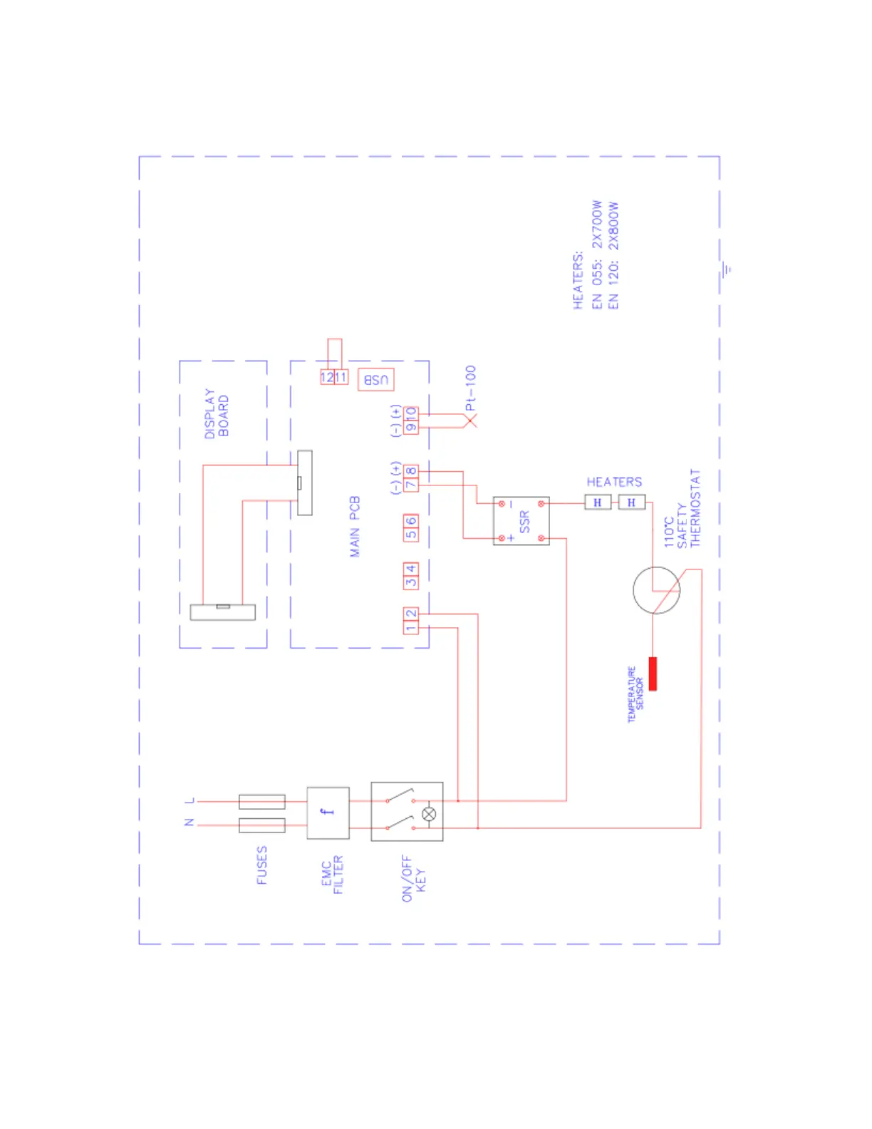
10.2. EN 055 AND EN 120 ELECTRICAL CIRCUIT DIAGRAM

Other manuals for NUVE EN 032

Related product manuals