EasyManua.ls Logo

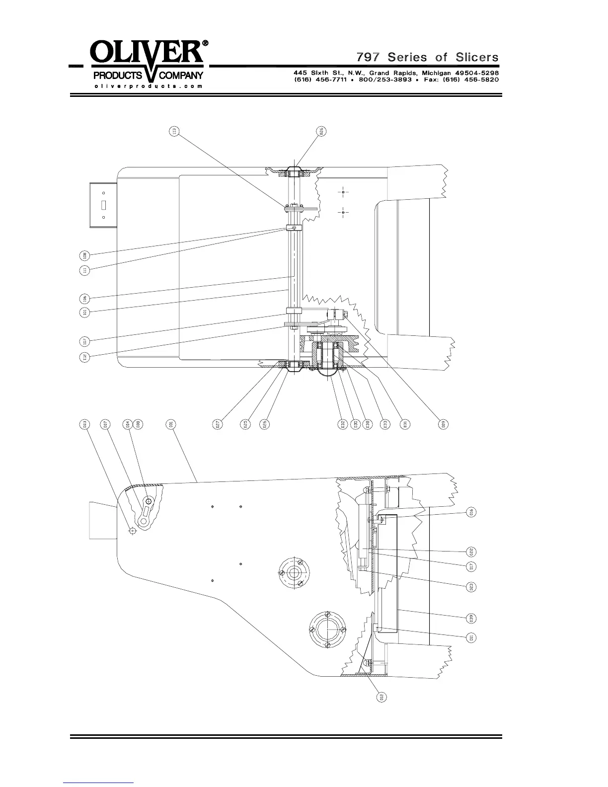
Oliver 797-48 - Main Frame & Rocker

Oliver 797-48
58 pages
Print Icon
To Next Page IconTo Next Page
To Next Page IconTo Next Page
To Previous Page IconTo Previous Page
To Previous Page IconTo Previous Page
Loading...
0797S20071 8-1
MAIN FRAME/ROCKER ASSEMBLY
Rev. 9/16/04

Related product manuals