EasyManua.ls Logo

Oliver 797-48 - Page 37

Oliver 797-48
58 pages
Print Icon
To Next Page IconTo Next Page
To Next Page IconTo Next Page
To Previous Page IconTo Previous Page
To Previous Page IconTo Previous Page
Loading...
0797S20074 11-1
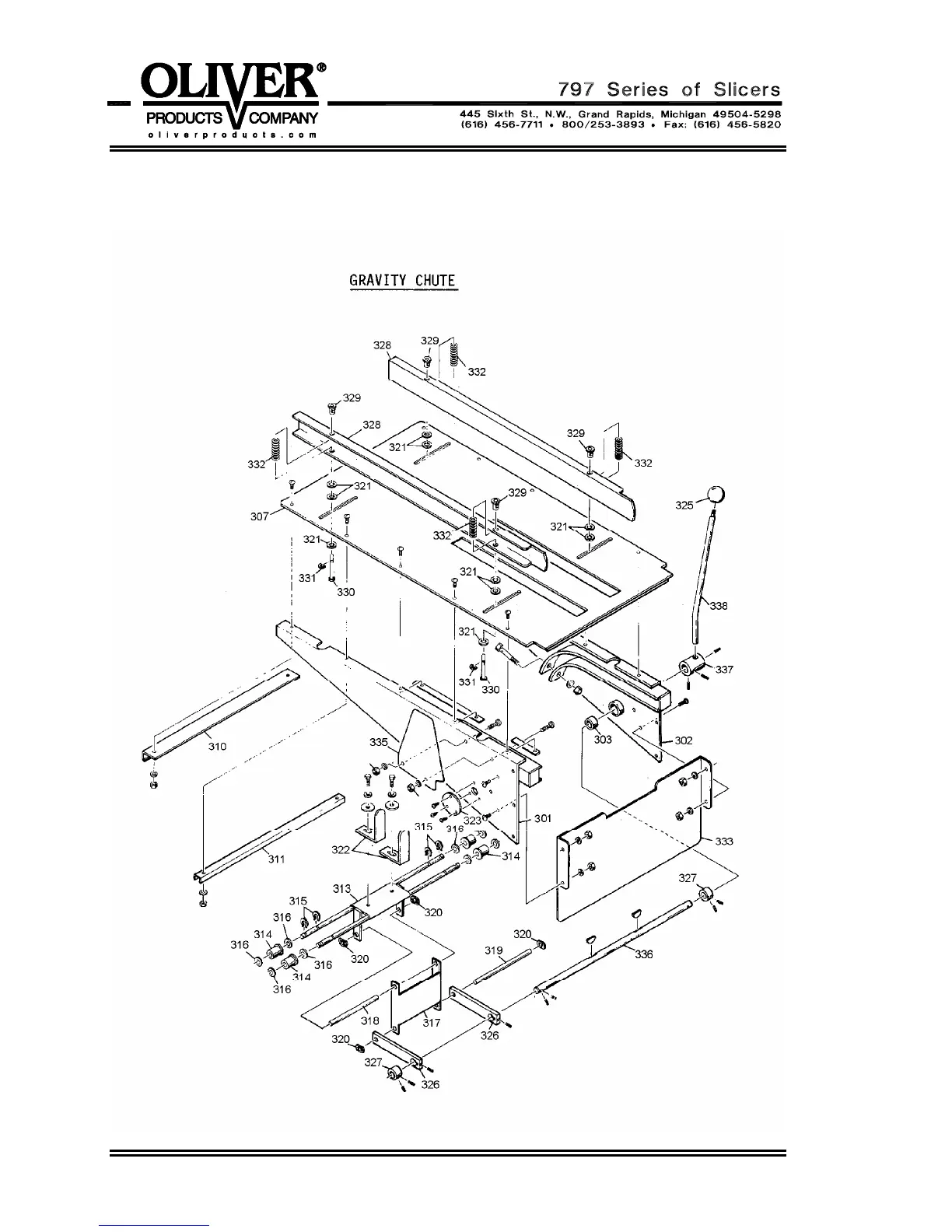
32 & 48 INCH GRAVITY INFEED CHUTE ASSEMBLY

Related product manuals