EasyManua.ls Logo

Olympus oep-4 - Connection of the 3 CCD Camera Control Unit (OTV-SP1 C or OTV-SP1 C-G)

Olympus oep-4
80 pages
Print Icon
To Next Page IconTo Next Page
To Next Page IconTo Next Page
To Previous Page IconTo Previous Page
To Previous Page IconTo Previous Page
Loading...
Installation and Connection
2
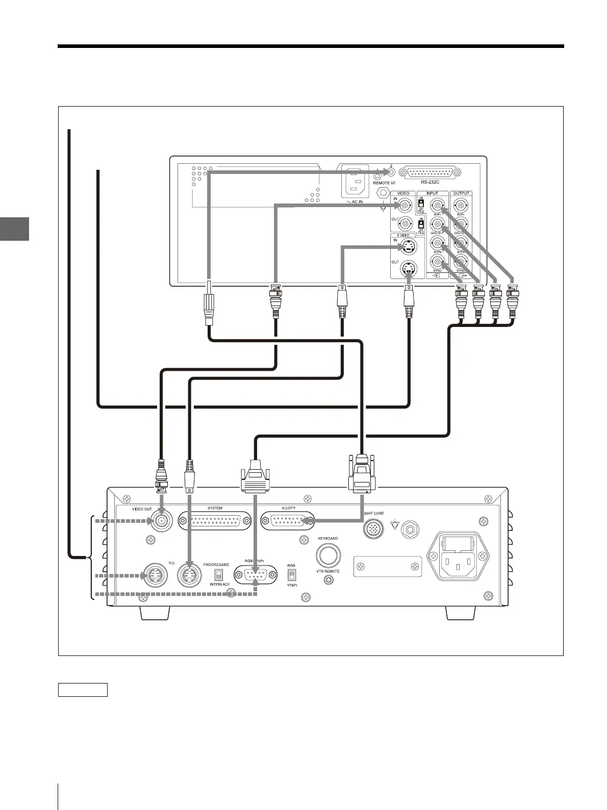
2.4 Connection of the 3CCD Camera Control Unit (OTV-SP1C or OTV-SP1C-G)
18
2.4 Connection of the 3CCD Camera Control Unit
(OTV-SP1C or OTV-SP1C-G)
Figure 2.3
NOTE
It can be used if any one of an RGB cable, a Y/C cable,
and the BNC cable is connected between this
instrument and 3CCD camera control unit (OTV-
SP1C, OTV-SP1C-G).
Refer to the instruction manual of 3CCD camera
control unit (OTV-SP1C, OTV-SP1C-G) for
connection of 3CCD camera control unit (OTV-SP1C,
OTV-SP1C-G) and the monitor.
Color Video Printer (OEP-4)
S VIDEO OUT
terminal
S VIDEO IN
terminal
RGB cable (MH-984)
Y/C cable (MH-985)
Y/C cable
3 CCD Camera Control Unit
(OTV-SP1C, OTV-SP1C-G)
To a monitor
BNC cable (MB-677)
To Y/C input connector
of a monitor
OEP cable (MH-987)
Y/C
terminal
VIDEO OUT
(video output)
terminal
H.COPY (Hard copy)
terminal
RGB/YPbPr output
terminal
VIDEO IN
terminal
REMOTE 2
terminal
INPUT
terminals
SBGR

Table of Contents