EasyManua.ls Logo

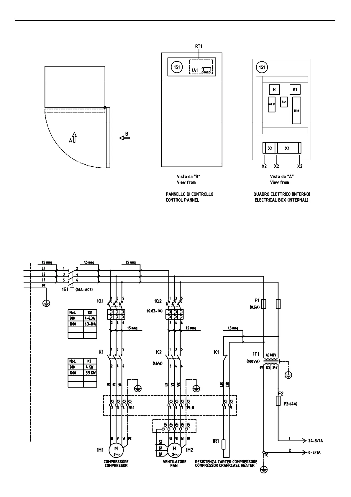
omi ED 18 - POWER CIRCUIT DIAGRAMS; Models 780 & 1000 Nm3;h (400 V;3 Ph;50 Hz)

omi ED 18
Print Icon
To Next Page IconTo Next Page
To Next Page IconTo Next Page
To Previous Page IconTo Previous Page
To Previous Page IconTo Previous Page
Loading...
Cod. 710.0138.01.00 Rev1C – 09.2009
68 - 75
Layout componenti - Components layout - Baugruppenanordnung - Maquette des composants - Lista de componentes -
Схема размещения компонентов
Mod. 780 Nm3/h (13000 Nl/min) & 1000 Nm3/h (16667 Nl/min) (400V/3Ph/50Hz)
Cod. 714.0087.01.00 Rev. 01
Circuito di potenza - Leistungskreis - Power Circuit - Circuit de puissance - Circuito de potencia - Силовые цепи

Table of Contents

Related product manuals