EasyManua.ls Logo

omi ED 18 - CONTROL CIRCUIT DIAGRAMS; Models 780 & 1000 Nm3;h Control

omi ED 18
Print Icon
To Next Page IconTo Next Page
To Next Page IconTo Next Page
To Previous Page IconTo Previous Page
To Previous Page IconTo Previous Page
Loading...
Cod. 710.0138.01.00 Rev1C – 09.2009
69 - 75
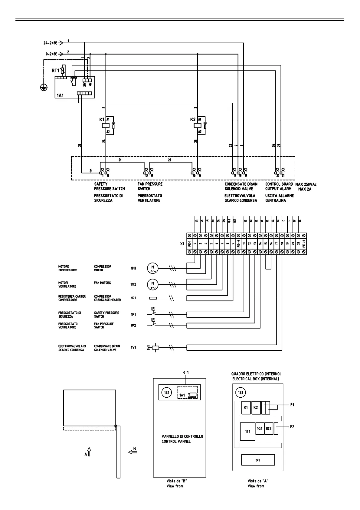
Mod. 780 Nm3/h (13000 Nl/min) & 1000 Nm3/h (16667 Nl/min)
Circuito di Comando - Steuerkreis - Control Circuit - Circuit de commande - Circuito de control - Цепи управления
Morsettiera - Terminal blocks diagram - Reihenklemmen – Bornier – Bornes - Коробка контактных зажимов
Layout componenti - Components layout - Baugruppenanordnung - Maquette des composants - Lista de componentes -
Схема размещения компонентов

Table of Contents

Related product manuals