EasyManua.ls Logo

Omron 3G3M1-STD - Anslutningsdiagram

Omron 3G3M1-STD
55 pages
Print Icon
To Next Page IconTo Next Page
To Next Page IconTo Next Page
To Previous Page IconTo Previous Page
To Previous Page IconTo Previous Page
Loading...
25
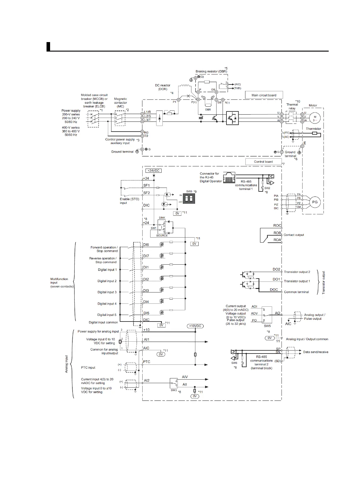
4.2. Anslutningsdiagram
Bilden nedan visar ledningsdragning för huvudkretsen och styrkretsen.

Related product manuals