EasyManua.ls Logo

Omron E5AC - Page 29

Omron E5AC
224 pages
To Next Page IconTo Next Page
To Next Page IconTo Next Page
To Previous Page IconTo Previous Page
To Previous Page IconTo Previous Page
Loading...
1 - 7
1 Communications Methods
E5@C Digital Temperature Controllers Communications Manual (H175)
1-1 Overview of Communica-
tions Methods
1
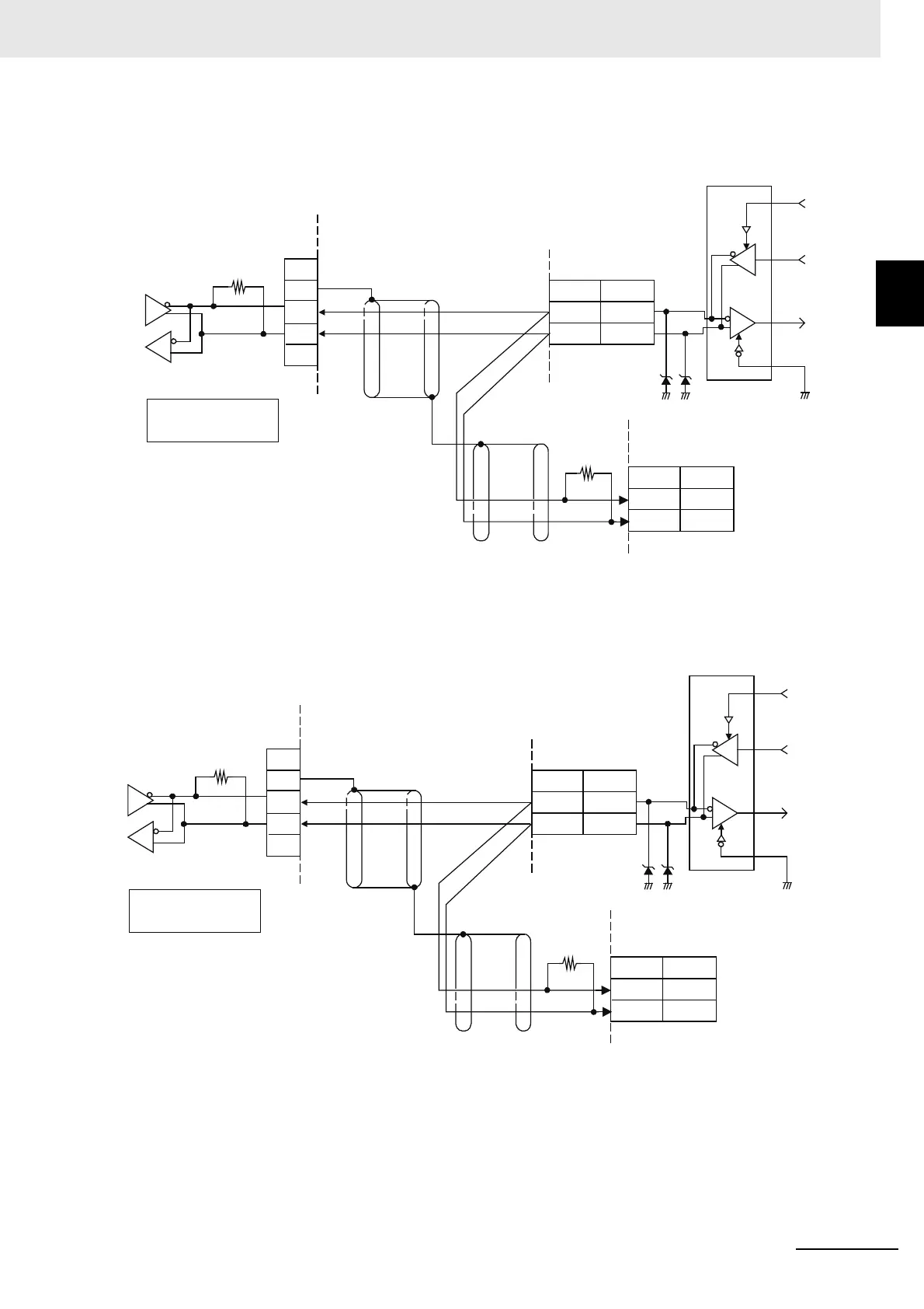
1-1-5 Wiring
E5DC
E5GC
Match the communications specifications of the E5@C and the host. When using a 1:N connection,
set the same communications specifications in all of the Units. Each Communications Unit must
have a unique unit number.
This section explains how to set the E5@C's communications specifications. For details on the host,
refer to the user's manual provided with the host.
RS-485
4
3
RS-485
6.8 V
TX
RX
4
3
FG
+
SG
A ()
B (+)
A ()
B (+)
120 Ω
(1/2 W)
Pin
Abbreviation
Specify both ends of the transmission path including the
host as the end node (that is, connect terminating resistance
to both ends). Use a terminating resistance of at least 54 Ω.
Host
E5DC
E5DC
End node
RS-485
Shield
Shield
Terminating
resistance
Use 120 Ω (1/2 W)
terminating resistance.
A < B: "1" Mark
A > B: "0" Space
Communications
transceiver
Pin
Abbreviation
Abbreviation
Abbreviation
FG
+
SG
Host
RS-485
Abbreviation
A(-)
B(+)
Pin
8
7
E5GC
RS-485
Shield
120 Ω (1/2 W)
terminating
resistance
6.8V
TX
RX
Use 120 Ω (1/2 W)
terminating resistance.
Shield
E5GC
End node
RS-485
Abbreviation
A(-)
B(+)
Pin
8
7
A < B: "1" Mark
A > B: “0” Space
Specify both ends of the transmission path
including the host as the end node (that is,
connect terminating resistance to both ends).
Use a terminating resistance of at least 54 Ω.
Communications
transceiver

Table of Contents

Other manuals for Omron E5AC

Related product manuals