EasyManua.ls Logo

Omron STC-HD213DV - External Control Interface

Omron STC-HD213DV
94 pages
Print Icon
To Next Page IconTo Next Page
To Next Page IconTo Next Page
To Previous Page IconTo Previous Page
To Previous Page IconTo Previous Page
Loading...
No. 20S071-01
STC-HD213DV / STC-HD213DV-CS / STC-HD213SDI / STC-HD213SDI-CS /
STC-HD213DVN / STC-HD213DVN-CS / STC-HD213SDIN / STC-HD213SDIN-CS
Product Specifications and User
s Guide
14/94
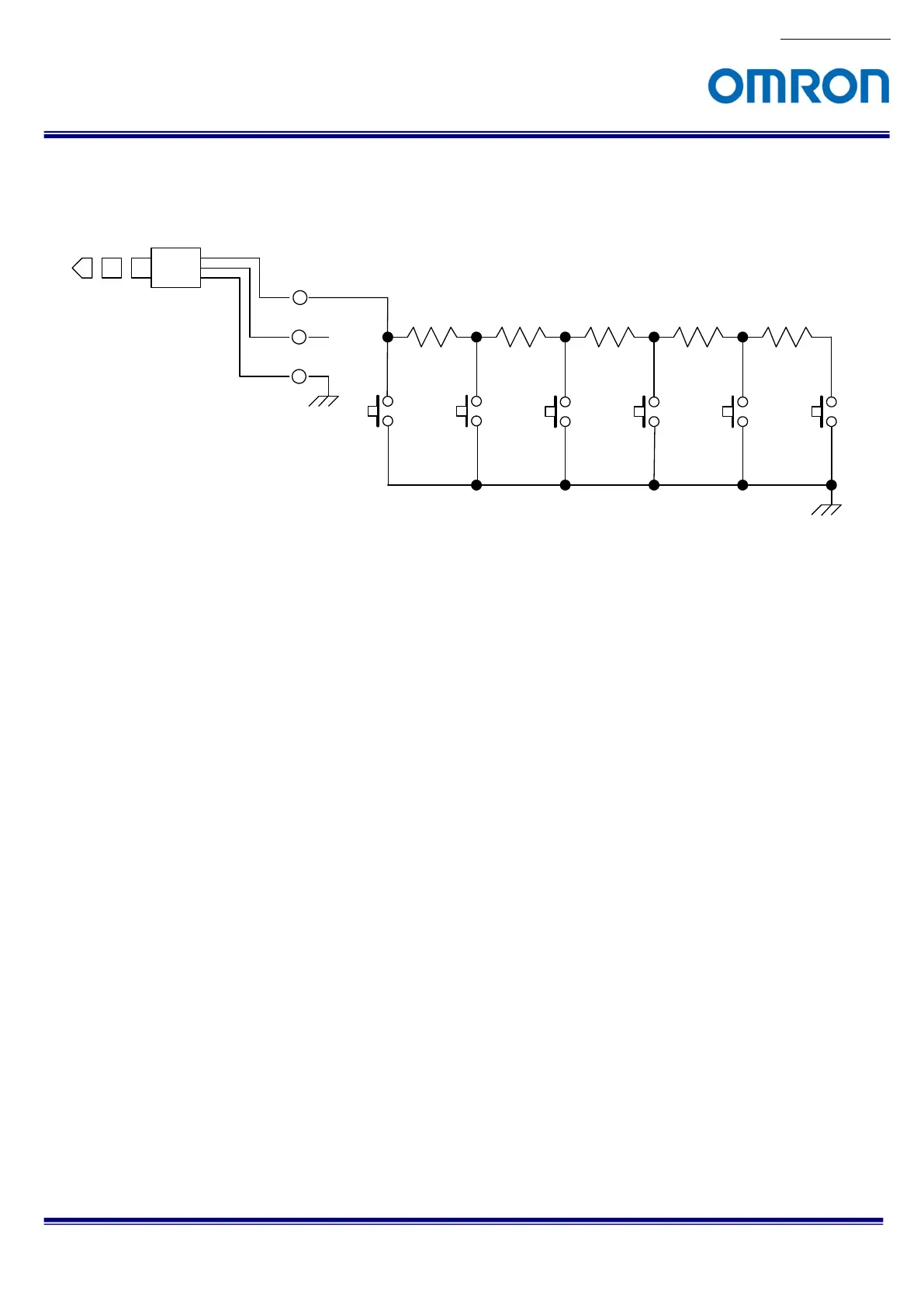
4.5 External Control Specification
Circuit Diagram of SW Board to connect 3.5φStereo Pin Jack
Tip
GND
SW-A SW-B SW-C SW-D SW-E SW-F
1 2
1 2
1 2
1 2
1 2
1 2
R1
1.8K
R2
3.3K
R3
4.7K
R4
10K
R5
27K

Table of Contents

Related product manuals