EasyManua.ls Logo

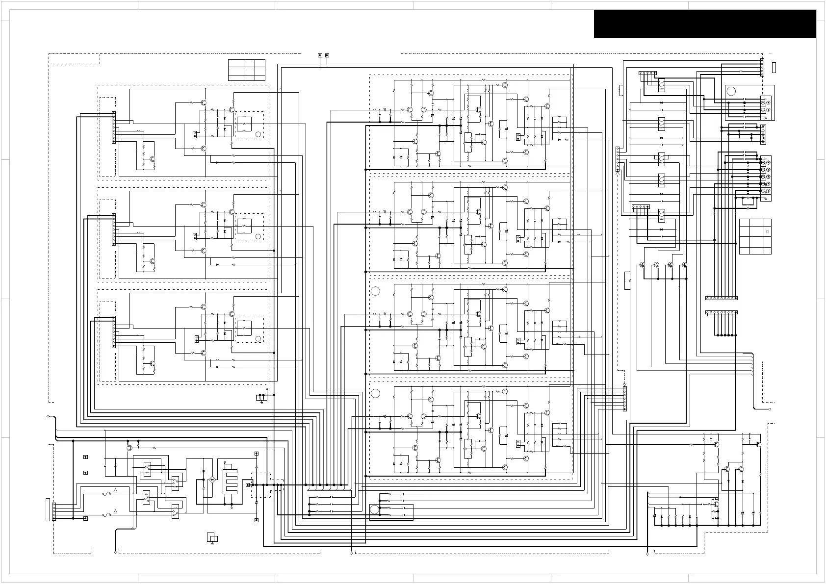
Onkyo HT-R494 - Schematic Diagram: Amplifier Section; AMP Section Schematic

Onkyo HT-R494
108 pages
To Next Page IconTo Next Page
To Next Page IconTo Next Page
To Previous Page IconTo Previous Page
To Previous Page IconTo Previous Page
Loading...
Schematic Diagram
5 4 3
2
1
6
D
C
A
B
D
C
A
B
5 4 3
2
1
6
AMP section
!
!
+BC2
-BC2
+BC
+BL
-BL2
+BL2
+BR2
-BR2
+BR
+61.8V
TRIMC
TRIML
TRIMR
AC_S1L-
AC_S1L+
-61.8V
S1H-
VPROTECT
IPROTECT
IPRO_MUT
S1H+
S1L-
S1L-
S1L+
S1L+
GND_RIP
SPR
SPR
SPC
SPC
SPL
SPL
IN_SBR
IN_SL
IN_SR
IN_SBL
IPRO
IPRO
IPRO
IPRO
SPSL
SPSL
SPSBR
SPSBR
SPSBL
SPSBL
VOLH
VOLH
VOLH
GNDDG
GNDDG
SPRLF
SEC1H
SEC1H
IN_FL
IN_FR
IN_C
NFR
SPSR
SPSR
-61.8V
-B1C
-B1C
-B1C
GNDSP_C
+61.8V
+B1C
+B1C
+B1C
VPRO
VPRO
VPRO
VPRO
VPRO
SPRLCS
SPRLSB
GNDSP_SL
GNDSP_SR
GNDSP_R
GNDSP_L
GNDSP_SBR
GNDSP_SBL
HPL
HPR
NFL
NFC
SPRLZB
+26.8V
+26.8V
HPDET
GND_A
103K
C6003
50V
103K
C6004
50V
103K
*C6005
50V
103K
*C6006
50V
C6458 NM
222K
C6459
50V
Q6013
2SC2713-BL
Q6033
TTC004B_Q(S
Q6014
2SC2713-BL
Q5003
2SC2713-BL
Q6055
2SC5198-O
Q6000
2SD2704K
Q6070
2SC2713-BL
Q5043
INC6006AP1-T111
Q6056
2SC5198-O
Q6072
2SC2713-BL
Q6051
2SC5198-O
Q5044
INC6006AP1-T111
Q6052
2SC5198-O
Q6401
KTC3875-GR
*Q5046
INC6006AP1-T111
Q6001
2SD2704K
Q6071
2SC2713-BL
Q6452
2SC2713-BL
Q6002
2SD2704K
*Q6005
2SD2704K
Q6050
2SC5198-O
Q6451
2SC2713-BL
*Q5056
2SC2412K-R
*Q5016
2SC2713-BL
*Q6075
2SC2713-BL
*Q5045
INC6006AP1-T111
Q6073
2SC2713-BL
Q6074
2SC2713-BL
*Q5006
2SC2713-BL
Q6455
2SC2713-BL
Q6004
2SD2704K
*Q6035
TTC004B_Q(S
Q6053
2SC5198-O
*Q6015
2SC2713-BL
Q6003
2SD2704K
*Q5005
2SC2713-BL
Q5004
2SC2713-BL
Q5014
2SC2713-BL
*Q5015
2SC2713-BL
*Q6036
TTC004B_Q(S
*Q6006
2SD2704K
Q5013
2SC2713-BL
Q5054
2SC2412K-R
*Q6016
2SC2713-BL
Q5053
2SC2412K-R
*Q6076
2SC2713-BL
*Q5055
2SC2412K-R
Q6054
2SC5198-O
Q6034
TTC004B_Q(S
Q6600
KRC105S
Q6601
KRC105S
*Q6602
KRC105S
*Q6604
KRC105S
Q6066
2SA1941-O
Q6065
2SA1941-O
Q6062
2SA1941-O
Q6060
2SA1941-O
Q6453
2SA1163-BL
Q6061
2SA1941-O
Q6454
2SA1163-BL(TE85L_F)
*Q6045
TTA004B_Q(S
*Q5035
INA6006AP1-T111
*Q5036
INA6006AP1-T111
*Q6025
2SA1163-BL(TE85L_F)
Q6044
TTA004B_Q(S
Q6064
2SA1941-O
*Q6026
2SA1163-BL(TE85L_F)
Q5034
INA6006AP1-T111
Q6043
TTA004B_Q(S
Q5033
INA6006AP1-T111
Q6023
2SA1163-BL(TE85L_F)
Q6024
2SA1163-BL(TE85L_F)
Q6063
2SA1941-O
*Q6046
TTA004B_Q(S
D6023
DA2J10100
D6451
DA2J10100
D6402
DA2J10100
D6452
DA2J10100
*D6015
DA2J10100
D6001
DA2J10100
D6002
DA2J10100
D6000
DA2J10100
*D6025
DA2J10100
*D6006
DA2J10100
D6014
DA2J10100
*D6005
DA2J10100
D6600
DA2J10100
*D6602
DA2J10100
D6601
DA2J10100
D6003
DA2J10100
D6010
DA2J10100
D6020
DA2J10100
D6011
DA2J10100
D6021
DA2J10100
D6012
DA2J10100
D6024
DA2J10100
D6022
DA2J10100
*D6603
DA2J10100
*D6016
DA2J10100
*D6026
DA2J10100
D6454
DA2J10100
D6004
DA2J10100
D6013
DA2J10100
D6401
TS10B06G-07
1
2
3
4
*D5005
DZ2J056M0L
D6455
DZ2J033M0L
*D5006
DZ2J056M0L
D6453
DZ2J036M0L
D5004
DZ2J056M0L
D5003
DZ2J056M0L
SC-0.8X5.5X18.5T
*L6002
SC-0.8X5.5X18.5T
*L6001
SC-0.8X5.5X18.5T
*L6000
SC-0.8X5.5X18.5T
*L6005
SC-0.8X5.5X18.5T
*L6003
SC-0.8X5.5X18.5T
*L6004
SC-0.8X5.5X18.5T
*L6006
RL6430
NRL-1P10A-DC12-196
1
2
3
4
5
RL6440
NRL-1P10A-DC12-196
1
2
3
4
5
RL6600
NRL-2P5A-DC24-129
1
2 3
45
6
RL6601
NRL-2P5A-DC24-129
1
2 3
45
6
RL6602
NRL-2P5A-DC24-129
1
2 3
45
6
*RL6603
NRL-2P5A-DC24-129
1
2 3
45
6
*RL6604
NRL-2P5A-DC24-129
1
2 3
45
6
RL6410
NM
1
2
3
4
5
RL6420
NM
1
2
3
4
5
P6082
NPLG-2P29
1 2
P6081
NPLG-2P29
1 2
*P6086
NPLG-2P29
1
2
*P6085
NPLG-2P29
1 2
P6084
NPLG-2P29
1 2
P6083
NPLG-2P29
1 2
P6080
NPLG-2P29
1 2
P6005B
NSCT-5P896
12345
*P6605A
NSCT-5P876
12345
*P6605B
NSCT-5P876
12345
P6201
NPLG-5P152
1 2
3 4 5
P6600B
1
2
3
4
5
6
7
P6600A
1 2 3 4 5 6 7
P6000B
1 2 3 4 5 6 7 8 9
P6002B
1 2
3
4 5 6 7 8 9
P6001B
1 2 3 4 5 6 7 8 9
P6003B
123456789
P6003A
123456789
TP601
P5506B
1234
P5509A
1234
*P6606
NTM-10PDMLR444
1
2
3
4
5
6
7
8
9
10
11
12
*P6602
NTM-4PDMLR446
1
2
3
4
5
6
*P6604
NTM-6PDMLR442
*P6603 NM
P6601
NTM-4PDMNRR414
1
2
3
5
4
104Z
C6452
040C
*C5086
104K
C6411
50V
104Z
C6600
50V
104Z
*C6602
50V
104Z
C6601
50V
104Z
*C6603
50V
105Z
C6457
10V
101J
C6454
50V
040C
*C5085
040C
C5083
040C
C5084
C5093
101J
100V
C5094
101J
100V
C5003
471J
334J
C6404
*C6055
224J
*C6056
224J
*C5096
101J 100V
*C6256
473J 50V
*C6646 103J
*C5006
471J
*C6656
102J
*C5005
471J
C6054
224J
C6652
102J
C6455
103J
C6650 102J
C6651 102J
C6654 102J
*C6655
102J
C6653 102J
*C6661
103J
*C6645 103J
*C6660
103J
*C6644 103J
C6053
224J
*C6670 102J
*C6643
103J
*C6671 102J
*C6642
103J
*C6641
103J
*C6640
103J
C6403
334J
C6052
224J
*C5095
101J
100V
C6050
224J
C6051
224J
*C6255
473J 50V
C6254
473J 50V
C6252
473J 50V
C6253
473J
50V
C6250
473J 50V
C6251
473J 50V
C5004
471J
C6402
6800u
63V
*C6046
47u 50V
C5054
47u 50V
C6451
220u 25V
C6453
1u
50V
C5023
10u 50V
C5113
22u 100V
*C5046
220u
25V
C5103
22u 100V
C5043
220u
25V
*C5026
10u 50V
*C5016
47u 50V
*C5105
22u 100V
*C5045
220u 25V
C5014
47u 50V
*C5116
22u 100V
*C5106
22u 100V
*C5025
10u 50V
C6044
47u 50V
*C5055
47u 50V
*C5056
47u 50V
C5013
47u 50V
*C5015
47u 50V
C5104
22u 100V
C5053
47u 50V
C5024
10u
50V
C6043
47u 50V
*C6045
47u 50V
*C5115
22u 100V
C5114
22u 100V
C5044
220u
25V
C6401
6800u 63V
C6456
10u
50V
R6234
0
R6253
0
R5004
0
R5003
0
*R6235
0
R6053
0
*R5006
0
R6054
0
*R5005
0
*R6055
0
*R6255
0
R6232
0
R6231
0
R6230
0
R6250 0
R6233
0
R6251 0
R6292
0
R6252 0
*R4001
0
R6693
0
*R6236
0
*R6295
0
*R6256
0
R6294
0
*R6056
0
R6293
0
R6254
0
R6113
0.22
2W
R6023
2.2
1/4W
R5053
5.6k
*R6026
2.2
1/4W
*R6433
10 1/4W
*R6196
390k
*R6125
0.22
2W
R6184
47k
R5134
33k
1/4W
*R6225
22
R5054
5.6k
*R5106
100k
R5164
150
1/4W
*R5176
150
1/4W
*R5096
100k
*R6226
22
*R6165
33k
*R5126
33k 1/4W
*R6016
100k
*R6145
22k
*R5076
1.5k
*R6005
100k
*R5306
150
*R6086
0.22
1/4W
*R6095
0.22
1/4W
*R6166
33k
*R5066
1.8k
*R6146
22k
R5044
1.8k
*R5316
150
*R6176
47k
*R6155
3.9k
*R5026
330
*R6116
0.22 2W
*R5166
150
1/4W
R5104
100k
*R5036
56k
1/4W
*R6126
0.22 2W
*R6015
100k
*R6096
0.22
1/4W
R5103
100k
*R6115
0.22
2W
R5063
1.8k
*R6435
10 1/4W
*R5055
5.6k
*R5056
5.6k
*R6436
10 1/4W
*R6085
0.22
1/4W
R5294
NM
*R6156
3.9k
R5293
NM
*R6245
4.7k
R5064
1.8k
*R5136
33k 1/4W
*R6006
100k
R6240
4.7k
R6241
4.7k
R5033
56k
1/4W
R6242
4.7k
R6144
22k
*R5116
1.5k
*R5016
56k
*R6446
8.2 1W
R6004
100k
R5034
56k
1/4W
R6143
22k
*R5045
1.8k
R5394
1.2k
*R5086
1.5k
*R6065
1.5k
R6174
47k
*R5105
100k
*R5046
1.8k
R6160
33k
R6220
22
*R6035
1.5k
R6464
2.2k
R6454
47k
R6221
22
*R5065
1.8k
*R6175
47k
R6081
0.22
1/4W
R6222
22
R6223
22
*R6185
47k
R6182
47k
R5393
1.5k
R6461
22k
R6142
22k
R6114
0.22
2W
R6462
33k
*R6195
390k
R6459
5.6k
R6164
33k
*R5395
1.5k
R6463
22k
R6140
22k
*R5035
56k
1/4W
R6194
390k
R6152
3.9k
R6074
120
1/4W
R6134 22k
R6455
10k
*R6690
4.7 1/2W
R6014
100k
*R6136 22k
R6458
5.6k
R6173
47k
R5073
1.5k
*R6135 22k
R6452
10k
R6243
4.7k
R6073
120
1/4W
R6193
390k
*R6445
8.2 1W
R6133 22k
R6457
22k
R6132
22k
R6141
22k
R6163
33k
R5074
1.5k
R6131
22k
R6181
47k
*R6434
10 1/4W
R5174
150
1/4W
R6130
22k
R6172
47k
R6224
22
*R5095
100k
R6190
390k
R6171
47k
*R6075
120
1/4W
R6191
390k
R6082
0.22
1/4W
R6124
0.22
2W
R5173
150
1/4W
R6192
390k
R6091
0.22
1/4W
R6084
0.22
1/4W
R6465
47k
R6090
0.22
1/4W
*R5075
1.5k
R6024
2.2
1/4W
R6010
100k
R6154
3.9k
R5084
1.5k
R6162
33k
R5163
150
1/4W
R6011
100k
R6094
0.22
1/4W
*R5195
10 1/4W
R6180
47k
R6183
47k
*R5295
NM
R5023
330
R6161
33k
R6244
4.7k
R6001
100k
R6453
22k
R5114
1.5k
R5094
100k
R6456
220k
*R5196
10 1/4W
R6402
1k
R6080
0.22
1/4W
*R5085
1.5k
R5124
33k
1/4W
R5093
100k
R6441
8.2 1W
*R5135
33k
1/4W
R6120
0.22 2W
R6444
8.2
1W
*R5165
150
1/4W
*R5396
1.5k
R6110
0.22
2W
R6440
8.2
1W
*R5125
33k
1/4W
R6121
0.22
2W
R6443
8.2 1W
R5123
33k
1/4W
R6111
0.22
2W
R6170
47k
*R5015
56k
R6122
0.22
2W
R6451
33k
R5133
33k
1/4W
R6112
0.22
2W
R6460
33k
R5083
1.5k
R5014
56k
*R5025
330
R5304
150
*R6186
47k
*R5185
10
1/4W
R5013
56k
R5194
10 1/4W
*R6246
4.7k
*R5175
150
1/4W
R5303
150
*R5305
150
*R6076
120 1/4W
*R5115
1.5k
R6064
1.5k
R6013
100k
R5314
150
R6403
47k
R6034
1.5k
R6123
0.22
2W
R5024
330
R6092
0.22
1/4W
*R6066
1.5k
R6012
100k
R6150
3.9k
R6033
1.5k
R6093
0.22
1/4W
R5313
150
R6151
3.9k
R5193
10 1/4W
*R5296
NM
R6153
3.9k
R6442
8.2 1W
*R5315
150
R5043
1.8k
R6000
100k
*R6025
2.2
1/4W
R6063
1.5k
R6083
0.22
1/4W
R6002
100k
*R6431
10 1/4W
R5183
10
1/4W
*R6432
10 1/4W
*R5186
10 1/4W
R6003
100k
*R6036
1.5k
*R6430
10 1/4W
R5184
10
1/4W
R5113
1.5k
R6044
NM
*R6046
NM
R6043
NM
*R6045
NM
P6401A
CRIMP AS
1
P6401B
CRIMP AS
1
P6402B
CRIMP AS
1
P6402A
CRIMP AS
1
P6400A
1
P6400B
1
D6401A RAD-196
1
2 3
4
J6180
J6181
*J6690
J6691
*J6706
*J6705
*J6704
*J6701
*J6700
*J6702
*J6703
J6692
*J6660
*J6661
AMPSIG_IN
S1L+,S1L-
+24V,GND_A,GND_RIP
PROTECT,VOLH
P6104
HOLDER(CLAMP)
P6103
HOLDER(CLAMP)
*J6662
+B
GND_R
GND_L
(NH)
ID-
ID+
AV=29dB
1V
-0.3V
0.6V
GND_C
-0.6V
-B
(RED) (BLU)
BAAF-1712(2/2)
ASP/AMP
AMP SECTIONSCHEMATIC DIAGRAM(PART-4)
2.0mmJUMPERLEAD
GNDSP_SR
GNDSP_R
GNDSP_C
GNDSP_L
GNDSP_SBR
FromAudioI/O
(PART4)
FromAudioI/O
(PART3)
FromAudioI/O
(PART4)
MODEL NO. TX-SR343/444/HT-R494
#18 #18
#18
(NH)
ID-
ID+
AV=29dB
1V
-0.3V
0.6V
-0.6V
(NH)
ID-
ID+
AV=29dB
1V
-0.3V
0.6V
-0.6V
US EU/EX
FromAudioI/O
(PART4)
(RED)
#18
(BLU)
Table:W
L6000-06
R6430-36
J6700-06
O X
OX
W
W
W
GND_PHASE
+57V
-57V
FROM BACLA-1726 FROM BACLA-1726
FROM PART7(CLASS-A)
FROM BACLA-1726
FROM PART7(CLASS-A)
TRANSFORMER
0
1
2
L
R
C
#18
(FOR P6400 BLK)
(FOR P6401 RED)
2.0mmJUMPERLEAD
R
TO BAETC-1715(PART-8)
HP OUT
GND_SP
GND_SP
GNDSP_SL
GNDRL
GNDRL
(PART4)
To AudioI/O
FROM PART7(CLASS-A)
FROM BACLA-1654
FROM PART7(CLASS-A)
0.6V
-0.6V
ID-
(NH)
ID+
-0.3V
1V
SPBL
SPBR
GNDSP_SBL
Size 3216(1/4W) Size 3216(1/4W)
SBL
FROM BACLA-1654
FROM PART7(CLASS-A)
0.6V
-0.6V
ID-
(NH)
ID+
-0.3V
1V
Size 3216(1/4W)
SR
FROM BACLA-1654
FROM PART7(CLASS-A)
0.6V
-0.6V
ID-
(NH)
ID+
-0.3V
1V
Size 3216(1/4W)
SL
FROM BACLA-1654
FROM PART7(CLASS-A)
0.6V
-0.6V
ID-
(NH)
ID+
-0.3V
1V
SBR
A
A
A
P6606
P6604
T4
SP TRM
T3
C6655/56
J6661/62
C6655/56
J6661/62
P6606
H4
B
B
NM
NM
F6401
F6402
10A/125V
10A/125V
L
C
SL
SR
SBR
SBL

Other manuals for Onkyo HT-R494

Related product manuals