EasyManua.ls Logo

Onkyo TX-L5

Onkyo TX-L5
39 pages
To Next Page IconTo Next Page
To Next Page IconTo Next Page
To Previous Page IconTo Previous Page
To Previous Page IconTo Previous Page
Loading...
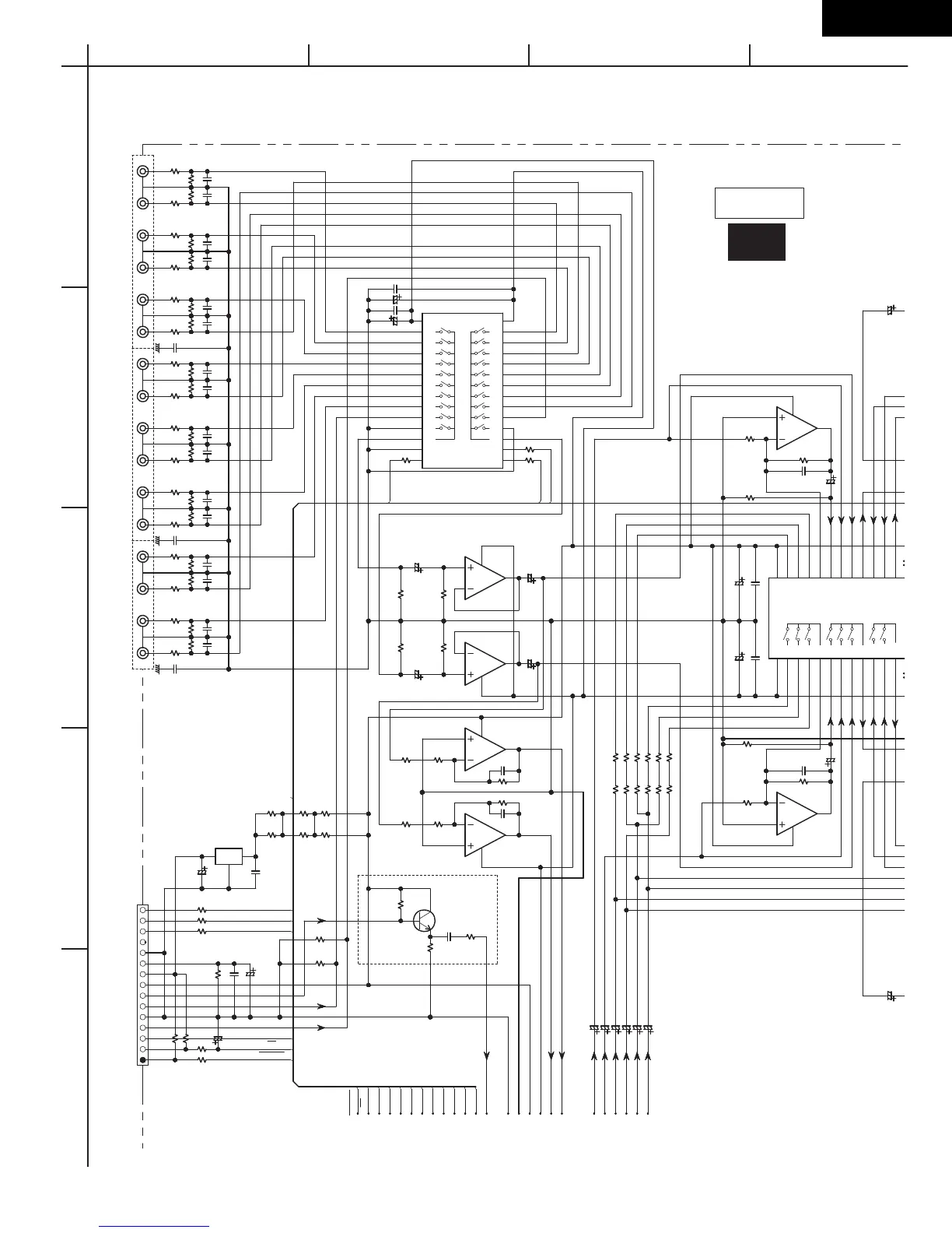
TX-L5
SCHEMATIC DIAGRAM 1-1
Preamplifier section
U11
Q105
2SC2712-GR
Q101
78L05F
G
IO
P101
VDD
DATA
VSS
ST
Q352 TC9163AF
1
2
3
4
5
6
7
8
9
10
11
12
13 16
17
18
19
20
21
22
23
24
25
26
27
28
Q341
NJM4565V
3
2
4
1
Q342
NJM4565V
5
6
4
7
Q351
NJM4565V
5
6
4
7
Q351
NJM4565V
3
8
2
1
Q341
NJM4565V
5
8
6
7
Q342
NJM4565V
3
8
2
1
C402
10/16
C401
10/16
C360
47/6.3
C359
47/6.3
C3166 10/16
C3165 10/16
C3164 10/16
C3163 10/16
C3162 10/16
C3161 10/16
C348
47/6.3
C347
47/6.3
C353 47/16 C355 47/16
C102
10/16
C105
2.2/50
C104 3.3/50
C342
47/6.3
C341
47/6.3
C333 47/16
C331 47/16 VSS
ST
GND CL
DATA
VDD
Q331 TC9273F-004
1
2
3
4
5
6
7
8
9
10
11
12
13
14 15
16
17
18
19
20
21
22
23
24
25
26
27
28
R866
100
R865
100
R861
100
R863
100
R862
100
R333 1K
R334 1K
R335
1K
R864
100
R107
2.2K
R106
2.2K
R371
220K
R372
220K
R346
1K
R345
1K
R348
1K
R347
1K
R342 220K
R344 220K
R341 220K
R343 220K
R114
1K
R113
680K
R115
3.3K
R105 100K
R104 220
R103 220
R102 220
R110
22K
R111
22K
R108 220
R109 220
R402
R401
100
R3681K
R354 10K
R352
10K
R353 10K
R351
10K
R358 12K R357 2.2K
R362 12K R361 2.2K
R366 2.7K R365 270
R364 2.7K R363 270
R360 12K R359 2.2K
R356 12K R355 2.2K
R350
1K
R349
1K
R332
1M
R331
1M
R328
1M
R327
1M
R324
1M
R323
1M
R320
1M
R319
1M
R316
1M
R315
1M
R312
1M
R311
1M
R308
1M
R307
1M
R304
1M
R303
1M
R330
330
R329
330
R326
2.2K
R325
2.2K
R322
330
R321
330
R318
2.2K
R317
2.2K
R314
330
R313
330
R310
330
R309
330
R306
2.2K
R305
2.2K
R302
330
R301
330
C350
101J
C349
101J
C354 104Z C356 104Z
C301
C302
C303
C304
C107
104Z
C101
104Z
C103 101J
C352 101J
C351 101J
C334 104Z
C332 104Z
C305
C306
C307
C308
C309
C310
C311
C312
C313
C314
C315
C316
C323
104Z
C322
104Z
C321
104Z
P303
P302
P301
VOUT_L
LT RT
FSWSCK
FSWSDO
FSWSLT
FSWSDO
SW-]L
C-]L
LS-]L
LMIX
MIX_L
BYPS_L
VIN_L
AP_L
APOFF_L
L_OUT
BYPS_L
BYPS_R
SW-]R
C-]R
RS-]R
RMIX
MIX_R
BYPS_R
VIN_R
AP_R
APOFF_R
R_OUT
PLLCE
SDO
SCK
VOUT_R
TU_L
TU_R
TUMUT
SD
STEREO
STEREO
SD
SCK
SDO
PLLCE
TUMUT
FSWSLT
FSWSCK
FSWSDO
VOLSLT
AP2
AMUT
RDSIN
TUGND
GND
+12V
-12V
ADRT
ADLT
DAC_L
DAC_R
DAC_LS
DAC_RS
DAC_C
DAC_SW
TO NAAR-7171 (SCHEMATIC 2)
OTHER NONE
MPP,MGT 101J
C301-C316
MPP TYPE ONLY
TO TUNER PACK (PART-7)
NAAR-7171
MD OUT
MD IN
MS IN
MS OUT
V2 IN
V1 IN
V1 OUT
DVD IN
LEFT
RIGHT
LEFT
RIGHT
LEFT
RIGHT
LEFT
RIGHT
LEFT
RIGHT
LEFT
RIGHT
LEFT
RIGHT
RIGHT
LEFT
A
1
2
3
4
5
B C D E F G H

Other manuals for Onkyo TX-L5

Related product manuals