EasyManua.ls Logo

Onkyo TX-L55

Onkyo TX-L55
61 pages
To Next Page IconTo Next Page
To Next Page IconTo Next Page
To Previous Page IconTo Previous Page
To Previous Page IconTo Previous Page
Loading...
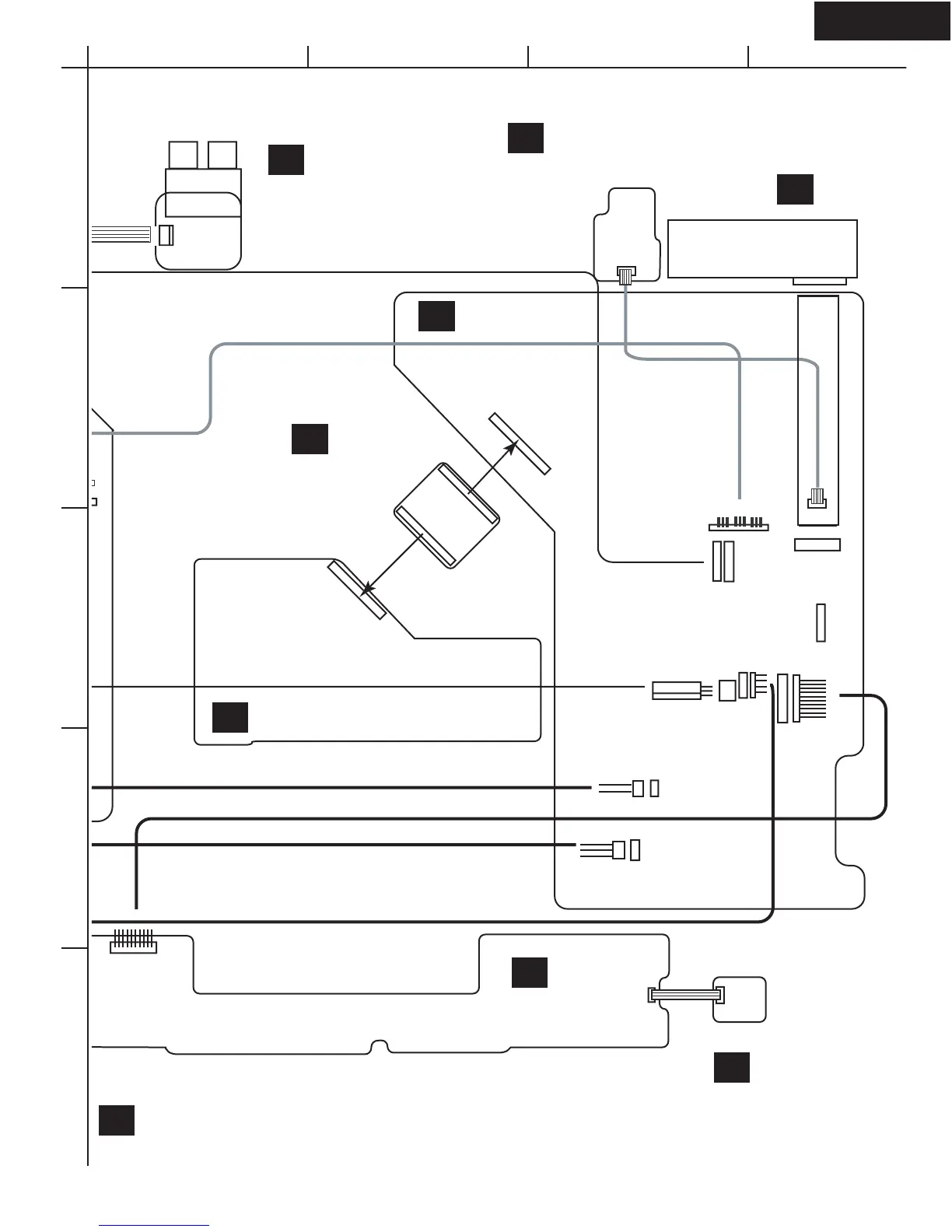
TX-L55
PC BOARD-CONNECTION DIAGRAM
TUNER PACK
4
2
6
P5651B
P7001A
P7001B
P4401A
P1101
P7002
P9001B
P9002B
P9101B
P9003B
P7003B
U12
U21
U4
U1
U3
U6
U7
U8
U9
SCH.1
SCH.2/3
SCH.7
SCH.6
SCH.8
SCH.8
SCH.1
B
P851A
P851B
NAETC-
8351
NAVD-8344
NADG-8338
NAETC-8340
NAETC-
8341
NADIS-8346
NASW-8345
N
ASW-
8
347
P4402B
P4402A
MAIN CIRCUIT
PC BOARD
HEADPHONE
TERMINAL
PC BOARD
FRONT SPEAKER
TERMINAL PC BOARD
R
D
CONNECTOR
PC BOARD
COMPONENT VIDEO PC BOARD
VOLUME PC
BOARD
DISPLAY CIRCUIT PC BORAD
STANDBY SWITCH
PC BAORD
P2004
P2003
P2002
P2001
A
1
2
3
4
5
BCD

Other manuals for Onkyo TX-L55

Related product manuals