EasyManua.ls Logo

Onkyo TX-L55

Onkyo TX-L55
61 pages
To Next Page IconTo Next Page
To Next Page IconTo Next Page
To Previous Page IconTo Previous Page
To Previous Page IconTo Previous Page
Loading...
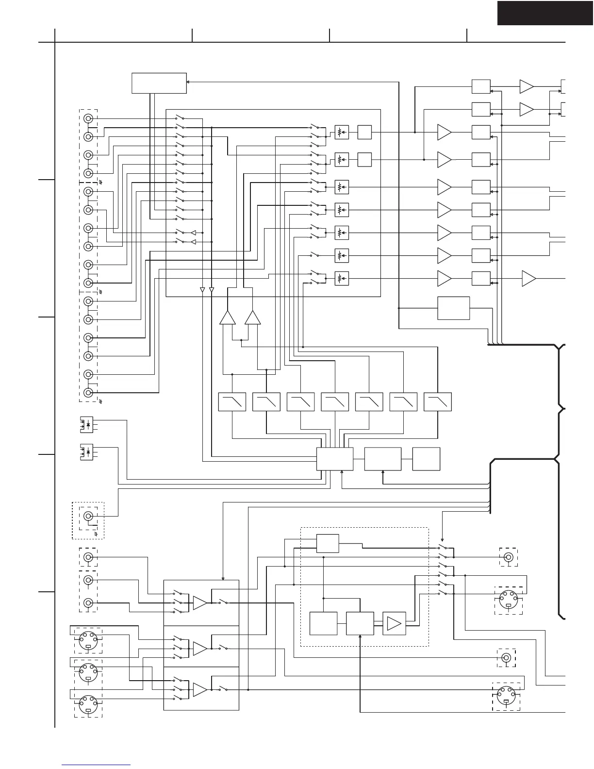
TX-L55/LR552
BLOCK DIAGRAM
V2CIN
V2YIN
DVDYIN
V1CIN
DVDCIN
V1YIN
DVDVIN
V1VIN
V1YOUT
V1VOUT
V1COUT
C MONITOR OUT
Y MONITOR OUT
V2VIN V MONITOR OUT
+6dB
+6dB
+6dB
TV IN
CD
L
V1 OUT
R
L
V1 IN
R
L
R
L
R
L
R
L
SL
C
DVD IN
SW
SR
TONE
TONE
Q4301
BD3817
AUDIO SEL
+
AK4588
Q7800
CODEC
DSP
CS494003CQ
Q7501
U21
TUNER PACK
Q2001
MM1093NF
FSC GEN.
Q2005
3LINE
Y/C SEP.
TC90A69F
Q2051
+6dB
MX29LV040
ROM
Q7502
M
M
MUTE
MUTE
MUTE
MUTE
MUTE
MUTE
MUTE
MUTE
MUTE
Q1181
BU1924FS
RDS
DECODER
Q2106
Y/C MIX
MM1512
+
V2 INP2104
P2104
P2104
P2104 P2102
P2102
P2102
P2102
NJM2279M
VIDEO SEL
Q2101-3
COAX IN
OPT IN
R
DAC L
DAC R
DAC SR
DAC SL
DAC C
DAC SB
DAC SW
D TYPE ONLY
P4303
10
2
1
3
5
4
6
8
7
9
P4302
10
2
1
3
5
4
6
8
7
9
-1
-1
-1
-1
-1
-1
-1 -1
U2701
TORX179L
3
2
1
U2702
TORX179L
3
2
1
P2703
P4301
7
2
1
3
5
4
6
PP TYPE ONLY
A
1
2
3
4
5
BCD

Other manuals for Onkyo TX-L55

Related product manuals