EasyManua.ls Logo

Onkyo TX-SR501/E - Page 11

Onkyo TX-SR501/E
61 pages
Print Icon
To Next Page IconTo Next Page
To Next Page IconTo Next Page
To Previous Page IconTo Previous Page
To Previous Page IconTo Previous Page
Loading...
TX-SR501/E
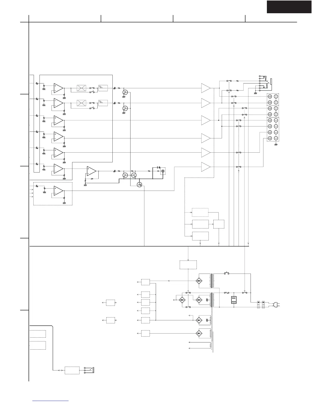
BLOCK DIAGRAM
L
R
AC OUTLET
BASSBOOST
OPAMP
BD3812
OUTPUT GAIN
OUTPUT GAIN
OUTPUT GAIN
OUTPUT GAIN
OUTPUT GAIN
OPAMP
OUTPUT GAIN
0~18dB
Q305
OPAMP
15dB
SEC1H
RELAY
POWER
RELAY
MASTER
VOLUME
0~-103dB
SEC2
BASS/TREBLE
BASS/TREBLE
AC IN
T901
PRI
SEC1
T902
RI
SEC3
+B1L
+B1H
HEADPHONE
+12V
-12V
-7V
AUDIO
+7V
AUDIO
+5V
DSP/TU
AF/TU
+12V
AF
-12V
VOLTAGE
SENSOR
VOLH
PROTE
CTION
PRO
VOLTAGE
SENSOR
CURRENT
SENSOR
VIDEO
+12V
-27V
-VP
To FL TUBE
FLAC
FLAC
SEC1H
CONTROL
RELAY
+B2
SEC1H
+B1
+5.6V
STANDBY
POWER
RI INTER
FACE
SPHP
+27dB
POWER SW
FUSE
SL
SR
C
SB
69
68
55
66
65
57
43 42
38
40
39
37
30
31
35
33
34
36
SWPO
AMUT
SPF
SPCS
HPMUT
HPDET
AY
Power Amplifier
OPAMP
0~18dB
OPAMP
0~18dB
OPAMP
0~18dB
OPAMP
0~18dB
OPAMP
0~18dB
OUTPUT GAIN
+27dB
+27dB
+27dB
+27dB
+27dB
SPBL
SPBR
SPB
A
1
2
3
4
5
BCD
Page 11

Related product manuals