EasyManua.ls Logo

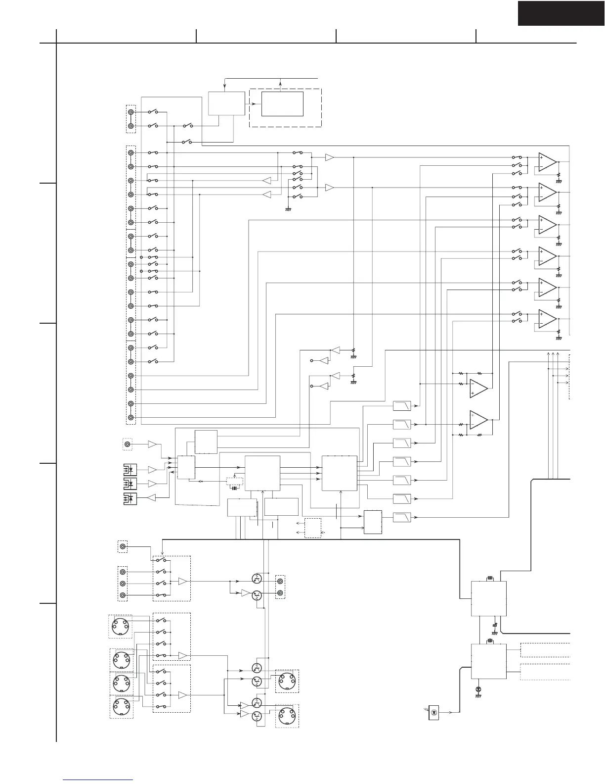
Onkyo TX-SR501/E - Block Diagram

Onkyo TX-SR501/E
61 pages
Print Icon
To Next Page IconTo Next Page
To Next Page IconTo Next Page
To Previous Page IconTo Previous Page
To Previous Page IconTo Previous Page
Loading...
TX-SR501/E
BLOCK DIAGRAM
OPTICAL OUT
INPUT GAIN
0/6dB
OPAMP
OPAMP
10.5dB
INPUT GAIN
0/6dB
INPUT GAIN
0/6dB
INPUT GAIN
0/6dB
INPUT GAIN
0/6dB
INPUT GAIN
0/6dB
73
74
NC
NC
VIDEO3
VIDEO-3
CD
TAPE IN
TAPE OUT
VIDEO-1 OUT
VIDEO-1 IN
VIDEO-2 IN
DVD
MLS/MRS
C/SW
BACK UP
STANDBY
S
S
INPUT ATT
-6dB
50KLPF
SB
50KLPF
SW
50KLPF
C
50KLPF
SR
50KLPF
SL
50KLPF
R
50KLPF
L
AK4384
2CH D/A
MX27L2000
FLASH ROM
MX27L4000
AK4586
96/24
2CH A/D
(1/2)
AK4586
DIR
1
VIDEO SW
1
1
1
-1
1
-1
1
MAIN MICRO
PROCESSOR
78K/4
UPD7842
25AGC
SUB MICRO
PROCESSOR
78K/0
UPD780232
GC-8BT
CS493292
DSP
AK4586
96/24
6CH D/A
OPTICAL 2
OPTICAL 1
REMOTE
SENSOR
COMPOSITE VIDEO INPUT
VIDEO2
VIDEO1
DVD
12.5MHZ
5MHZ
12.288MHZ
COMPOSITE VIDEO OUT
MONITOR OUT
VIDEO 1
OSC
+2.5V
DSP
+5V
+3.3V
MEMORY
COAXIAL
VIDEO3
Y
C
S-VIDEO OUTPUT
MONITOR OUT
YC
VIDEO 3
YC
VIDEO 2
YC
S-VIDEO INPUT
VIDEO 1
Y
C
VIDEO 1
YC
DVD
80
79 78
77
2
69
1
72
66
71
4
3
43
6
5
40
8
7
30
76
75
33
10
9
23
21
26
25
28
27
24
22
12
18
11
14
20
13
16
15
17
19
SELMUT
SELDA
SELCL
RST.CS.INTREQ/CL/DA/SCDO
RST.CS/CL/DA/CDTO/INT1.2.
A17
A16
A15
ROM/RAM
CTLA/B
VMUT2
VMUT1
0dB
LA7956
LA7956
LA7956
AK4586
BD3811K1
FL DISPLA
Y
KEY
0dB
0dB
6dB
6dB
6dB
M5M5V1080KV
UPD441000LGU
1M SRAM
FM/AM
TUNER
PACK
RDS
DECODER
BU1923F
European model only
Main microprocessor
A
1
2
3
4
5
BCD
Page 10

Related product manuals