EasyManua.ls Logo

Onkyo TX-SR600/E - Page 21

Onkyo TX-SR600/E
63 pages
Print Icon
To Next Page IconTo Next Page
To Next Page IconTo Next Page
To Previous Page IconTo Previous Page
To Previous Page IconTo Previous Page
Loading...
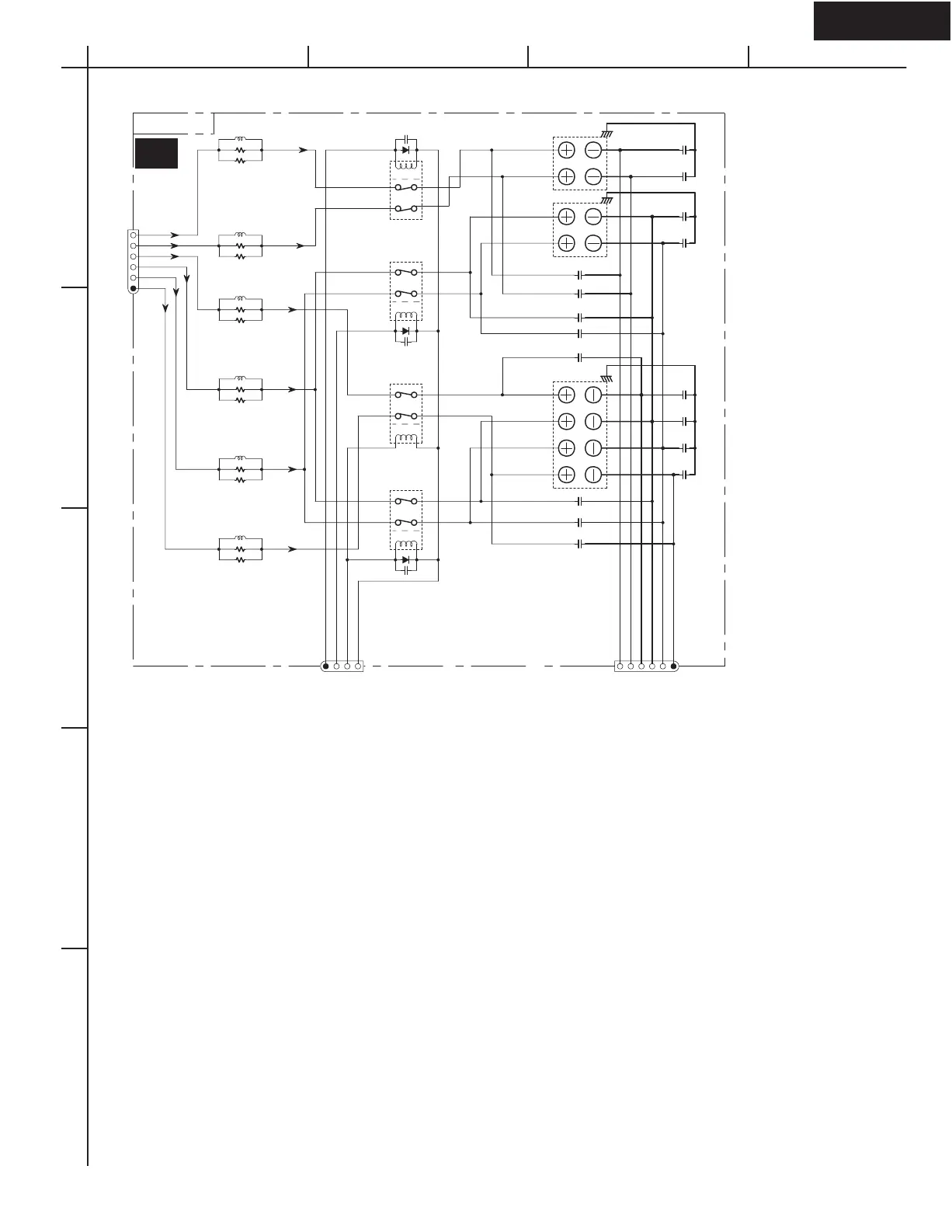
TX-SR600/E
SCHEMATIC DIAGRAM 6-2
Speaker terminal section
P6801
SP-B R
ZONE2 R
SP-B L
ZONE2 L
P6800
FL
FR
P6802 SPEAKERS-CS
C
SL
SR
SB
JL6805B
TO NAAF-7474
(SCH.-5)
JL6803B
TO NAAF-7474
(SCH.-5)
JL6804B
TO NAAF-7474
(SCH.-5)
RL6604
RL6601
RL6600
RL6603
L6801
S1.3C
L6805
S1.3C
L6804
S1.3C
L6803
S1.3C
L6802
S1.3C
L6800
S1.3C
R6801
22
R6811
22
R6805
22
R6815
22
R6804
22
R6814
22
R6803
22
R6813
22
R6802
22
R6812
22
R6800
22
R6810
22
D6604
D6601
D6600
C6840 103J
*
C6841 103J
*
C6856
102K
*
C6857
102K
*
C6855
102K
*
C6854
102K
*
C6853
102K
*
C6852
102K
*
C6851
102K
*
C6850
102K
*
C6604
103Z
C6601
103Z
C6842 103J *
* ARE P/G TYPE
ONLY
C6845
103J
*
C6844 103J
*
C6843 103J
*
C6847 103J
*
C6846 103J
*
C6600
103J
LSP
RSP
CSP
LSSP
RSSP
SBSP
BRLD
FRLD
CSRLD
+24V
LSPE
RSPE
CSPE
LSSPE
RSSPE
SBSPE
NAETC-7475
D6600,1,4
1SS133 OR 1SS270A
U16
A
1
2
3
4
5
BCD

Related product manuals