EasyManua.ls Logo

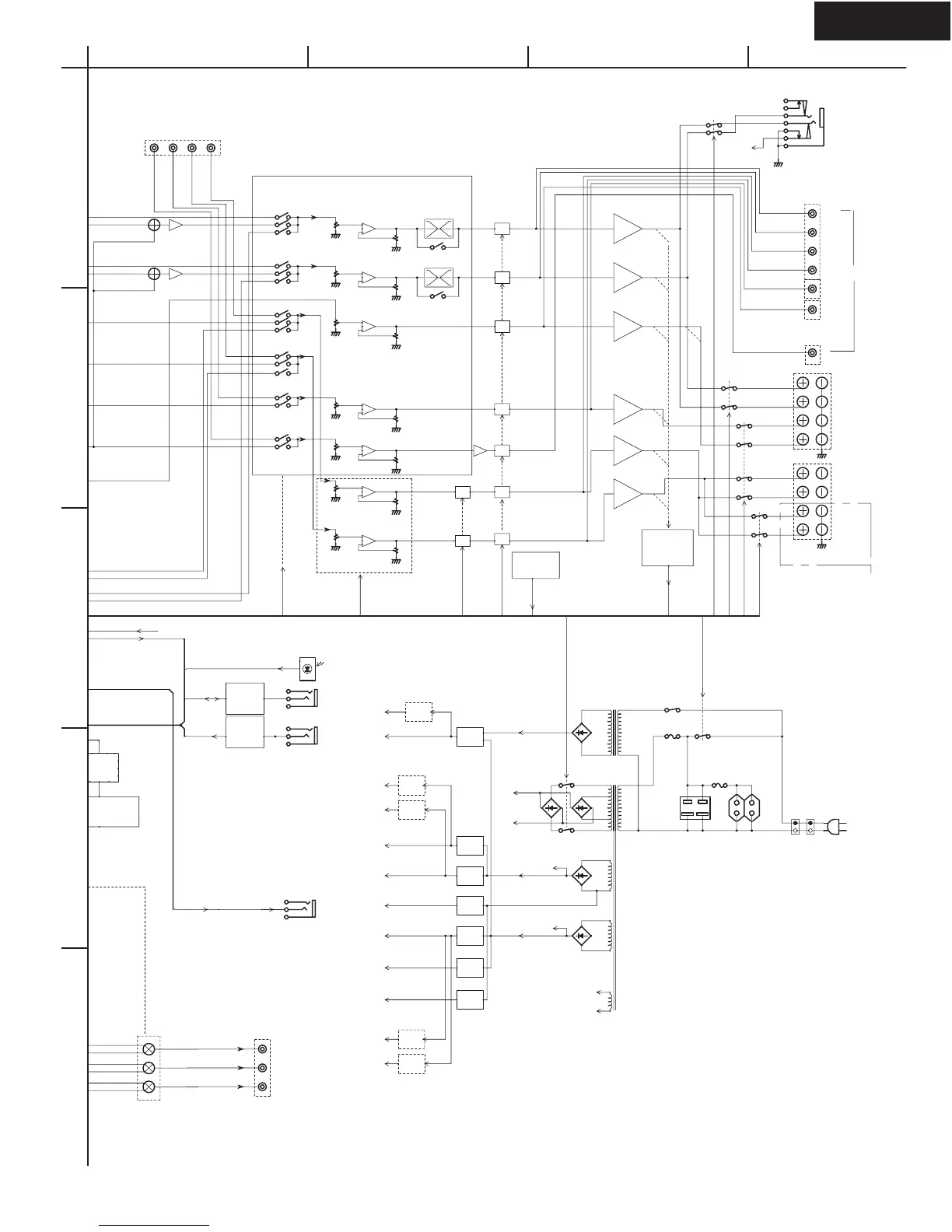
Onkyo TX-SR601/E - Block Diagram: Multichannel Input and Power Amplifier

Onkyo TX-SR601/E
81 pages
Print Icon
To Next Page IconTo Next Page
To Next Page IconTo Next Page
To Previous Page IconTo Previous Page
To Previous Page IconTo Previous Page
Loading...
TX-SR601/E
BLOCK DIAGRAM
FRONT SPEAKERS
LEFT
RIGHT
CENTER
SB
SURROUND
SPEAKERS
LEFT
RIGHT
ZONE2 SPEAKERS
RIGHT
LEFT
AC OUTLET
FUSE
FUSE
SB
SUBWOOFER
C
SW->R
SW->L
MUTE
MUTE
MUTE
MUTE
THERMAL
SENSOR
MUTE
MUTE
MUTE
MUTE
MUTE
+3.3V
STANDBY
+5.6V
STANDBY
-5V
VIDEO
+5V
+5V
+3.3V
DSP
+2.85V
DSP
+5V
VIDEO
+5V
DSP
-27V
-VP
-12V
AUDIO
+12V
AUDIO
+12V
+7V
AUDIO
-12V
-7V
AUDIO
+5.6V
VOLTAGE
SENSOR
CURRENT
SENSOR
IR
DE-MOD
ULATOR
12V TRIGGER
+B3
RELAY
+B2
FLAC
FL TUBE
FLAC
MAIN AMP
+B1/-B1
RI
INTER
FACE
PREOUT
L
R
SL
SR
MULTICHANNEL INPUT
SW C SR
SL
COMPONENT VIDEO OUITPUT
Y
CB
CR
HEADPHONE
REMOTE SENSOR
IRIN
ZONE2
RI
T902
T901
AC IN
BASS/TREBLE
BASS/TREBLE
BD3811K1
(2/2)
-1
-1
L
ED
D
RIVER
N
DBY LED
BD3812
BD3812
MASTER VOLUME
CUT
BOOST
BYPASS
BYPASS
Z2R
Z2L
DSW
MCSW
DC
MCC
BL
TL
DL
BR
TR
DR
MCSR
DSR
DSL
MCSL
Except MDD, MDC
and MPA models.
TV-5
POWER SW
TV-8
HPEN
HPMUT
VOLH
FLRL
CSRL
Z2RL
Z2MUTE
AUMUT
POWER
SEC1H
+15dB
SB
SW
Z2L/SL
Z2R/SR
C
R
L
+29dB
+29dB
RL2201,2
+29dB
+29dB
+29dB
+29dB
Power Amplifier
A
1
2
3
4
5
BCD

Related product manuals