EasyManua.ls Logo

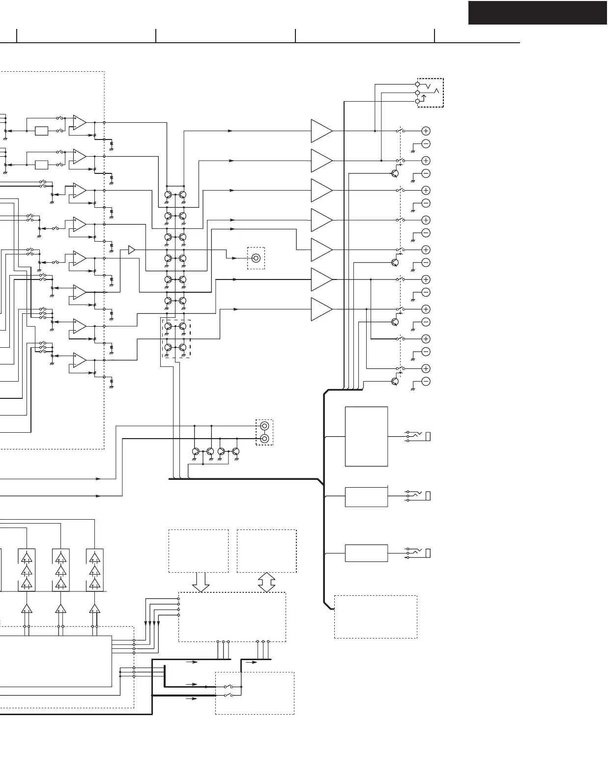
Onkyo TX-SR674E - Block Diagram-1: Audio Section Overview (Continued); Audio Section Block Diagram (Continued)

Onkyo TX-SR674E
127 pages
Print Icon
To Next Page IconTo Next Page
To Next Page IconTo Next Page
To Previous Page IconTo Previous Page
To Previous Page IconTo Previous Page
Loading...
TX-SR674/674E/8467
BLOCK DIAGRAM-1
AUDIO SECTION
A
1
2
3
4
5
BCDEFGH
Z2RL
SBRL
CSRL
FRL
MAIN L
MAIN R
SUB L
SUB R
REC L
REC R
SPDIF
Z2L_PO
Z2R_PO
SBMUT
AMUT
I2S(DIR/ADC)
I2S(DVD-AUDIO)
I2S(DVD-AUDIO)
LEFT
RIGHT
CENTER SPEAKER
LEFT
RIGHT
LEFT
RIGHT
LEFT
RIGHT
FRONT SPEAKERS
+29dB
+29dB
+29dB
+29dB
+29dB
+29dB
+29dB
VIDEO 1 IN
VIDEO 1 OUT
VIDEO 2 OUT
VIDEO 2 IN
TAPE IN
TAPE OUT
CD
SETUP MIC
MIC AMP
TONE
TONE
VIDEO 3 IN
AK4384
DAC
+6dB
VLSCLPF
+6dB
LPF
LPF
LPF
LPF
LPF
LPF
VLSCLPF
DIR
2ch ADC
COAX 1
COAX 2
(FRONT)
OPT IN
OPT OUT
OPT IN 1
OPT IN 2
Controller
Micro
HDMI
OPT IN 3
IN 1
IN 2
OUT
HDMI
TX
RX
HDMI
-
-
Q301 CS42518
FL
FR
SUB
WOOFER
C
SBL
SBR
SL
SR
PREOUT
12V TRIGGER
CONTROL
RI
INTERFACE
RI
16M bit
SD RAM
FLASH ROM
4M Bit
DSP
TMS320DA707
8ch DAC
I2S(DVD-AUDIO)
TC74VHCT157FT
INVERTING
INVERTING
XM/DT IC
DD/DC ONLY
XM ANTENNA
UNIT
FM/AM TUNER UNIT
ZONE2 LINE OUT
HEADPHONES
XM-RADIO
12V TRIGGER
IR
REMOTE
SENSOR
IR IN
L
R
VIDEO 4 IN
(FRONT)
17
19
20
9
10
16
14
15
12
11
4
5
6
7
2
1
34
74
35
73
30
31
63
62
64
1
32
33
36
37
35
34
28
29
26
27
21
20
22
23
49
46
45
50
13
14
15
16
43
42
44
48
47
61
60
54
117
116
115
113
120
141
139
135
137
138
39
38
60
65
66
63
61
62
57
58
64
55
56
53
54
51
52
49
50
47
48
45
46
71
72
69
70
40
67
68
75
30
31
76
78
33
32
77
28
79
80
29
59
+
+ +++
+
+
+
25k25k 25k25k25k25k
25k25k25k25k25k25k25k25k25k25k
HP DET
Q5501 R2S15211FP
SW
(MULTI CHANNEL INPUT)
DVD
ZONE2 SPEAKERS
SURROUND SPEAKERS
SURROUND BACK SPEAKERS
L
R
L
R
L
R
L
R
L
R
L
R
L
R
L
R
L
R
FL
FR
C
SW
SL
SR
SBL
SBR
L
R
L
R
FR
FL
C
SL
SR
SBL
SW
SBR
+6dB
VLSC
+6dB
VLSC
+6dB
VLSC
+6dB
VLSC
+6dB
VLSC
+6dB
VLSC
Q701
M30627FHPGP
MAIN MICRO
PROCESSOR
Q201
Q282
Q281
Q181
7 CH
POWER
AMPLIFIER
<Note>
Refer to SCHEMATIC DIAGRAM-12(SD-12) for
digital audio signal flow and wave forms.
37
38

Related product manuals