EasyManua.ls Logo

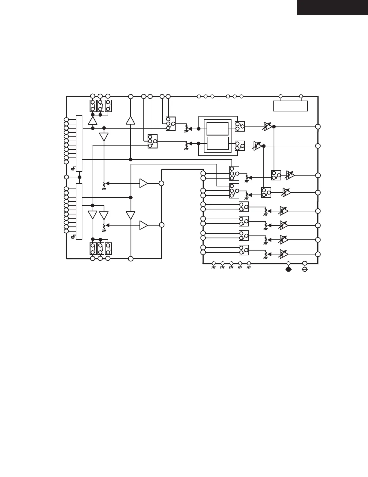
Onkyo TX-SR674E - IC Block Diagrams and Terminal Descriptions -27; Q5501: R2 S15211 FP (8 ch Electronic Volume and 11 Input Selector and Tone Control) - System Block Diagram

Onkyo TX-SR674E
127 pages
Print Icon
To Next Page IconTo Next Page
To Next Page IconTo Next Page
To Previous Page IconTo Previous Page
To Previous Page IconTo Previous Page
Loading...
TX-SR674/674E/8467
IC BLOCK DIAGRAMS AND TERMINAL DESCRIPTIONS -27
Q5501 : R2S15211FP (8 ch Electronic Volume and 11 Input Selector and Tone Control)
Lout
REC
Lch
Rout
Input
ATT
Out L
for
ADC
REC
Input selector
AGND
Volume
Out R
for
ADC
Rch
AVCC
Multi
Rin
Multi
Lin
3
4
5
6
7
8
9
1
2
Tone
Rch Tone
Bass&
Treble
Lch Tone
10
11
Input selector
3
4
5
6
7
8
9
1
2
10
11
SLout
Multi
SLin
Multi
SRin
Cout
SWout
Multi
Cin
Multi
SWin
SBLout
SBRout
Multi
SBLin
Multi
SBRin
AVEE
SUB
SUB
MCU I/F
CLOCK DATA
SRout
Volume
Volume
Volume
Volume
Volume
Volume
Volume
Bass&
Trebl
e
Volume
Volum
e
Input
ATT
Volume
Volum
e
mono
SYSTEM BLOCK DIAGRAM

Related product manuals