EasyManua.ls Logo

Onkyo TX-SR700/E - Page 31

Onkyo TX-SR700/E
56 pages
Print Icon
To Next Page IconTo Next Page
To Next Page IconTo Next Page
To Previous Page IconTo Previous Page
To Previous Page IconTo Previous Page
Loading...
TX-SR700/E
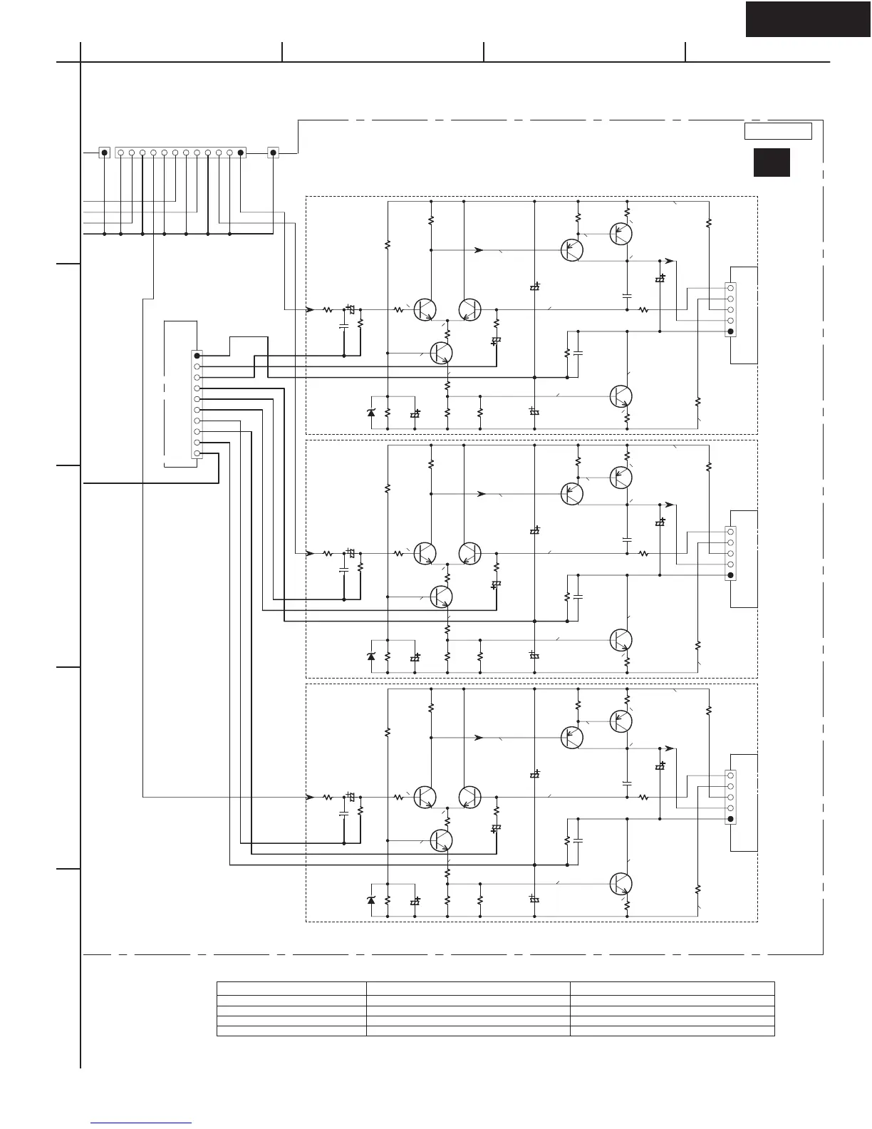
SCHEMATIC DIAGRAM 4-2
Power amplifier section 2
[53.8V]
[-49.9V]
[-49.9V]
[-49.9V]
[-54.0V]
[-54.0V]
[-54.0V]
[53.8V]
[53.8V]
[54.3V]
[54.3V]
[54.3V]
[54.9V]
[54.9V]
[54.9V]
[1.1V]
[1.1V]
[1.1V]
[-1.1V]
[-1.1V]
[-1.1V]
[-55.4V]
[-55.4V]
[-55.4V]
[-54.5V]
[-54.5V]
[-54.5V]
[-50.4V]
[-50.4V]
[-50.4V]
[0V]
[0V]
[0V]
[55.4V]
[55.4V]
[55.4V]
[-0.65V]
[-0.65V]
[-0.65V]
[-0.1V]
[-0.1V]
[-0.1V]
Q5012Q5002
Q5042
Q5052
Q5011
Q5001
Q5041
Q5051
Q5010Q5000
Q5040
Q5050
Q5032
Q5022
Q5031
Q5021
Q5030
Q5020
R5012
56K
R5002
1K
R5042
2.2K
R5122
470
(1/4W)
R5062
1.2K
R5162
120
(1/4W)
R5132
18K
R5172
120
(1/4W)
R5032
56K
R5182
10
(1/4W)
R5192
10
(1/4W)
R5082
3.3K
R5112
1.2K
R5092
100K
R5072
560
R5102
100K
R5052
4.7K
R5022
330
R5011
56K
R5001
1K
R5041
2.2K
R5121
470
(1/4W)
R5061
1.2K
R5161
120 (1/4W)
R5131
18K
R5171
120
(1/4W)
R5031
56K
R5181
10
(1/4W)
R5191
10
(1/4W)
R5081
3.3K
R5111
1.2K
R5091
100K
R5071
560
R5101
100K
R5051
4.7K
R5021
330
R5010
56K
R5000
1K
R5040
2.2K
R5120
470
(1/4W)
R5060
1.2K
R5160
120
(1/4W)
R5130
18K
R5170
120
(1/4W)
R5030
56K
R5180
10
(1/4W)
R5190
10
(1/4W)
R5080
3.3K
R5110
1.2K
R5090
100K
R5070
560
R5100
100K
R5050
4.7K
R5020
330
C5012
100/16
C5042
220/16
C5052
47/50
C5112
10/63
C5102
10/63
C5022
10/50
C5011
100/16
C5041
220/16
C5051
47/50
C5111
10/63
C5101
10/63
C5021
10/50
C5010
100/16
C5040
220/16
C5050
47/50
C5110
10/63
C5100
10/63
C5020
10/50
C5002
101K
C5082
040C
C5092
101J
C5001
101K
C5081
040C
C5091
101J
C5000
101K
C5080
040C
C5090
101J
P6002B
TO NAAF-7474
(SCH.-5)
P6001B
TO NAAF-7474
(SCH.-5)
P6000B
TO NAAF-7474
(SCH.-5)
D5002
MTZJ5.6B
D5001
MTZJ5.6B
D5000
MTZJ5.6B
04C
TO NADG-7460
(SCH.-2)
4
04D)
P6903B
TO NAAF-7483
(SCH.-5)
(P6903C)
P404A
TO NADG-7460
(SCH.-2)
P6011A
TO NAAF-7474
(PART-6)
SB
C
LS
RS
R
L
NF
-B1
+B1
B+
B-
NF
-B1
+B1
B+
B-
NF
-B1
+B1
B+
B-
SEMICONDUCTORS
NO. L / R / C SL / SR / SB
Q5000-04,5010-14 2SC1775A-E,F OR 2SC1845-E KTC3200-BL OR 2SC1775A-E,F OR 2SC1845-E,F
Q5020-25 2SA992-E,F -
Q5030-35 2SA949-Y,O KTA1024-Y,O OR 2SA949-Y,O
Q5040-45 2SC2229-Y,O
KTC3206-Y,O OR 2SC2229-Y,O
C
R
L
NAAF-7483
U23
A
1
2
3
4
5
BCD
Page 31

Related product manuals