EasyManua.ls Logo

Onkyo TX-SR700/E - Page 33

Onkyo TX-SR700/E
56 pages
Print Icon
To Next Page IconTo Next Page
To Next Page IconTo Next Page
To Previous Page IconTo Previous Page
To Previous Page IconTo Previous Page
Loading...
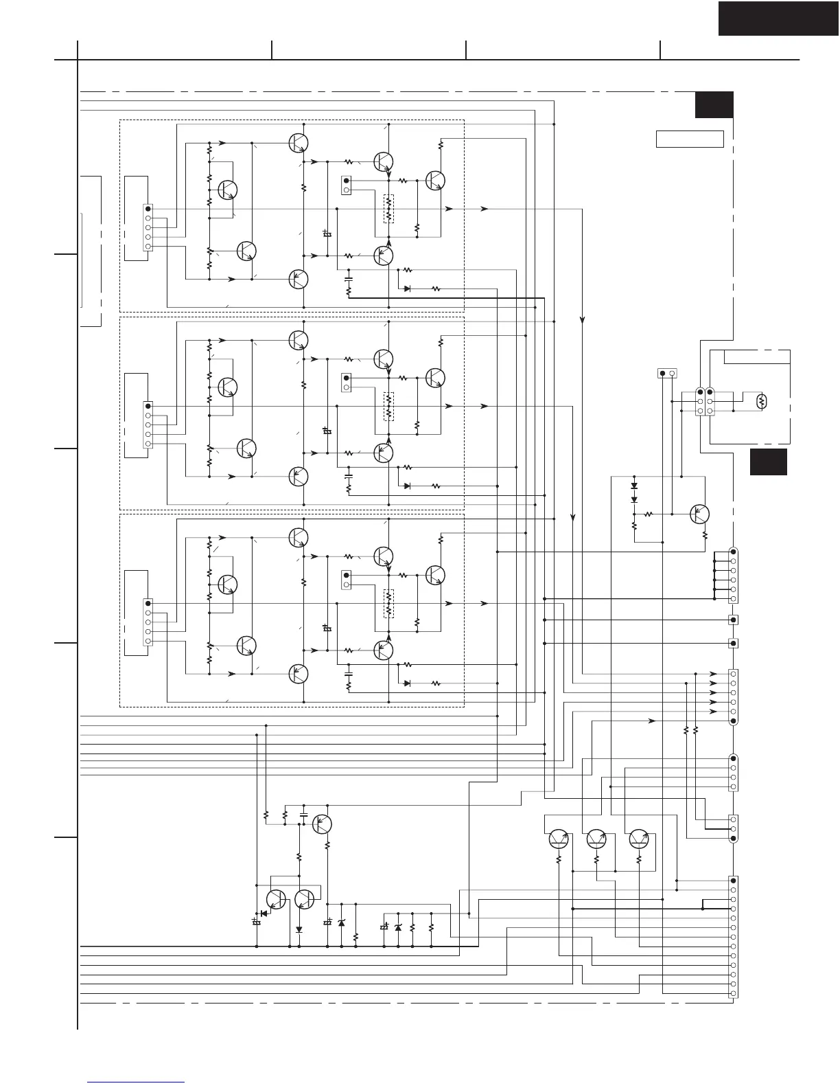
SCHEMATIC DIAGRAM 5-2 Power amplifier section4
TX-SR700/E
P6903A
TO NAAF-7483
(SCH.-4)
J12A
TO NAETC-7478
(SCH.-6)
P6931A
TO NADG-7460
(SCH.-2)
JL6805A
TO NAETC-7476
(SCH.-6)
D6703
MTZJ5.1B D6704
MTZJ5.1B
[-55.5V]
[-55.5V]
[-55.5V]
[-1.1V]
[-1.1V]
[-1.1V]
[-0.4V]
[-0.4V]
[-0.4V]
[-0.6V]
[-0.6V]
[-0.6V]
[0.6V]
[0.6V]
[0.6V]
[55.5V]
[55.5V]
[55.5V]
[-0.6V]
[-0.6V]
[-0.6V]
[0.6V]
[0.6V]
[0.6V]
[1.1V]
[1.1V]
[1.1V]
[1.0V]
[1.0V]
[1.0V]
[-0.3V]
Q6701 Q6702
Q6602Q6603Q6601
Q6032
Q6052
Q6072
Q6022
Q6012
Q6031
Q6051
Q6071
Q6021
Q6011
Q6030
Q6050
Q6070
Q6020
Q6010
R6750
390
(1/2W)
R6751
390
(1/2W)
R6704
47K
R6701
22K
R6702
10K
R6710
R6709
R6706
22K
R6602
1K
R6603
1K
R6601
1K
R6708
33K
R6308
4.7K
R6306
10K
R6307
2.2K
R6052
2.7K
R6162
33K
R6082
2.2
(1/4W)
R6142
22K
R6172
47K
R6182
47K
R6092
2.2
(1/4W)
R6072
120
(1/4W)
R6232
8.2
(1W)
R6152
4.7K
R6012
3.9K
R6002
5.6K
R6032
270
R6051
2.7K
R6161
33K
R6081
2.2
(1/4W)
R6141
22K
R6171
47K
R6181
47K
R6091
2.2
(1/4W)
R6071
120
(1/4W)
R6231
8.2
(1W)
R6151
4.7K
R6011
3.9K
R6001
5.6K
R6031
270
R6050
2.7K
R6160
33K
R6080
2.2
(1/4W)
R6140
22K
R6170
47K
R6180
47K
R6090
2.2
(1/4W)
R6070
120
(1/4W)
R6230
8.2
(1W)
R6150
4.7K
R6010
3.9K
R6000
5.6K
R6030
270
C6701
100/6.3
C6704
1/50
C6706
100/6.3
C6042
47/50
C6041
47/50
C6040
47/50
C6232
473J
C6231
473J
C6230
473J
R6042
1K
R6041
1K
R6040
1K
R6102
0.22
X2
(2W)
R6101
0.22
X2
(2W)
R6100
0.22
X2
(2W)
D6702
D6701
D6307
D6306
D6002
D6001
D6000
P6002A
TO NAAF-7483
(SCH.-4)
P6001A
TO NAAF-7483
(SCH.-4)
P6000A
TO NAAF-7483
(SCH.-4)
Q6062
Q6042
Q6061
Q6041
Q6060
Q6040
Q6703
Q6303
C6703
223Z
R6380
PTH9M04BE
222TS2F333
THERMAL SENS.
P6082
ID+
ID-
P6081
ID+
ID-
P6080
ID+
ID-
P6301
TH1
COM
JL6953A
TO NAPS-7477
(SCH.-7)
JL6402
JL6402B
NAAF-7483
(SCH.-4)
JL6803A
TO NAETC-7476
(SCH.-6)
JL6804A
TO NAETC-7476
(SCH.-6)
NF
-B1
+B1
B+
B-
+24V
TH1
NF
-B1
+B1
B+
B-
NF
-B1
+B1
B+
B-
BRLD
FRLD
CSRLD
+24V
+B1
HPL
E
HPR
+24V
RLGND
RLGND
VOLH
SEC1H
SPB
SPCS
SPF
+13VS PRO
POWER
+13VS
POWER MPUGND
10K
6.8K
NAETC-7480
C
R
L
NAAF-7474
U15
U20
A
1
2
3
4
5
BCD
Page 33

Related product manuals