EasyManua.ls Logo

Onkyo TX-SR700/E - Page 8

Onkyo TX-SR700/E
56 pages
Print Icon
To Next Page IconTo Next Page
To Next Page IconTo Next Page
To Previous Page IconTo Previous Page
To Previous Page IconTo Previous Page
Loading...
TX-SR700/E
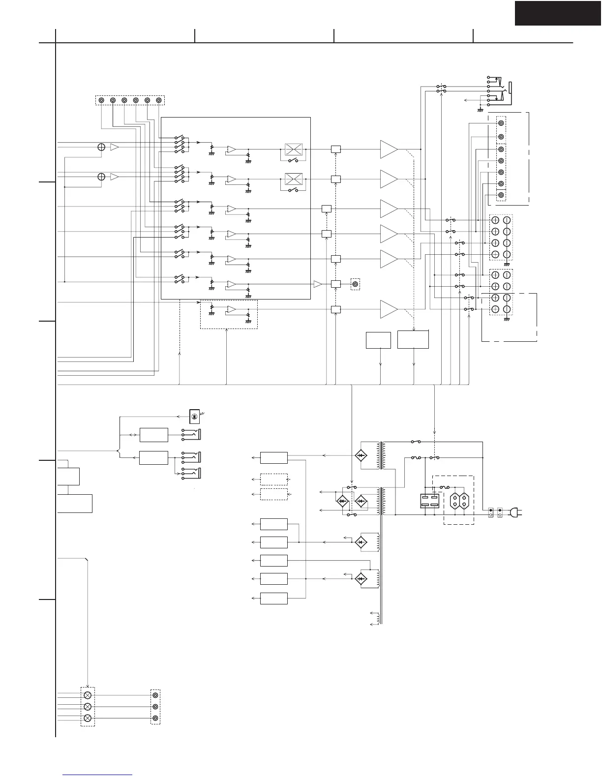
BLOCK DIAGRAM
MULTICHANNEL INPUT / DVD IN
DVD/ LDVD/ RSLSRC
SW
P
ZONE 2
L
R
FRONT SPEAKERS
LEFT
RIGHT
CENTER
BACK
SURROUND SPEAKERS
LEFT
RIGHT
ZONE2 SPEAKERS
RIGHT
LEFT
FUSE
C
SUBWOOFER PREOUT
SW->R
SW->L
VOLTAGE &
CURRENT
SENSOR
-12V
+12V
+7V
AUDIO
-7V
AUDIO
MUTE
MUTE
MUTE
MUTE
-27V
-VP
+5V
VIDEO
IR
DE-MODULATOR
12V TRIGGER
+B3
RELAY
+B2
FLAC
FL TUBE
FLAC
MAIN AMP
+B1/-B1
-12V
AUDIO
+5V
DSP
+12V
AUDIO
MUTE
MUTE
MUTE
THERMAL
SENSOR
RI
INTERFACE
+5.6V
STANDBY
PREOUT
L
R
SL
SR
COMPONENT VIDEO OUITPUT
Y
CB
CR
HEAD PHONE
REMOTE SENSOR
IRIN
ZONE2
RI
T902
T901
AC IN
BASS/TREBLE
BASS/TREBLE
BD3811K1
(2/2)
-1
-1
LED
DRIVER
R
E AUDIO LED
T
ANDBY LED
BD3812
MASTER VOLUME
CUT
BOOST
Z2R
Z2L
DSW
MCSW
DC
MCC
MCL
BL
TL
DL
BR
TR
MCR
DR
MCSR
DSR
DSL
MCSL
BYPASS
BYPASS
TV-8
HPEN
HPMUT
VOLH
SPF
SPCS
SPB/Z2
Z2MUTE
AUMUT
POWER
SEC1H
CNPT
+29dB
+29dB
+29dB
+29dB
+29dB
+29dB
Power Amplifier
AC OUTLET
FUSE
P/W models
D model
EXCEPT MDD
TV-5
POWER SW
A
1
2
3
4
5
BCD
Page 8

Related product manuals