EasyManua.ls Logo

Onkyo TX-SR800

Onkyo TX-SR800
88 pages
To Next Page IconTo Next Page
To Next Page IconTo Next Page
To Previous Page IconTo Previous Page
To Previous Page IconTo Previous Page
Loading...
TX-SR800
A
1
2
3
4
5
BCD
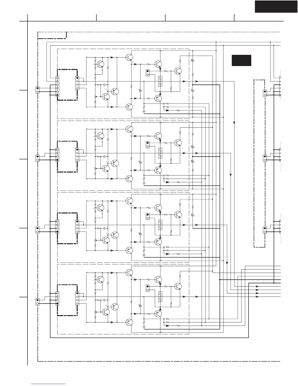
SCHEMATIC DIAGRAM 6-1 Power amplifier section
D6004
D6003
D6005
D6006
R6104
0.22
X2
(5W)
R6103
0.22
X2
(5W)
R6105
0.22
X2
(5W)
R6106
0.22
X2
(5W)
R6044
1K
R6043
1K
R6045
1K
R6046
1K
C6512
4.7/100
C6522
4.7/100
C6513
4.7/100
C6523
4.7/100
C6514
4.7/100
C6024
47/50
C6023
47/50
C6025
47/50
C6026
47/50
R6512
0.22
(1/2W)
R6514
0.22
(1/2W)
R6523
0.22
(1/2W)
R6513
0.22
(1/2W)
R6522
0.22
(1/2W)
R6214
47K
R6204
47K
R6194
47K
R6084
2.2
(1/4W)
R6094
2.2
(1/4W)
R6054
2.7K
R6114
10K
R6024
3.9K
R6014
5.6K
R6034
1K
R6064
3.3K
R6134
8.2
(1W)
R6164
33K
R6154
4.7K
R6144
22K
R6074
180
(1/4W)
R6213
47K
R6203
47K
R6193
47K
R6083
2.2
(1/4W)
R6093
2.2
(1/4W)
R6053
2.7K
R6113
10K
R6023
3.9K
R6013
5.6K
R6033
1K
R6063
3.3K
R6133
8.2
(1W)
R6163
33K
R6153
4.7K
R6143
22K
R6073
180
(1/4W)
R6215
47K
R6205
47K
R6195
47K
R6085
2.2
(1/4W)
R6095
2.2
(1/4W)
R6055
2.7K
R6115
10K
R6025
3.9K
R6015
5.6K
R6035
1K
R6065
3.3K
R6135
8.2
(1W)
R6165
33K
R6155
4.7K
R6145
22K
R6075
180
(1/4W)
R6216
47K
R6206
47K
R6196
47K
R6086
2.2
(1/4W)
R6096
2.2
(1/4W)
R6056
2.7K
R6116
10K
R6026
3.9K
R6016
5.6K
R6036
1K
R6066
3.3K
R6136
8.2
(1W)
R6166
33K
R6156
4.7K
R6146
22K
R6076
180
(1/4W)
Q6014
Q6004
Q6074
Q6054
Q6034
Q6013
Q6003
Q6073
Q6053
Q6033
Q6015
Q6005
Q6075
Q6055
Q6035
Q6016
Q6006
Q6076
Q6056
Q6036
(-55.0V)
1.2V
0.6V
(55.0V)
0.6V
0.6V
0.1V
0.5V
-1.2V
(-55.0V)
1.2V
0.6V
(-55.0V)
0.6V
0.6V
0.1V
0.5V
-1.2V
(-55.0V)
1.2V
0.6V
(55.0V)
0.6V
0.6V
0.1V
0.5V
-1.2V
(-55.0V)
1.2V
0.6V
(55.0V)
0.6V
0.6V
0.1V
0.5V
-1.2V
P6004
NF
TO NAAF-7706
(SCH. 5)
NF
B+
B-
P6003
NF
TO NAAF-7706
(SCH. 5)
NF
B+
B-
P6005
NF
TO NAAF-7706
(SCH. 5)
NF
B+
B-
P6006
NF
TO NAAF-7706
(SCH. 5)
NF
B+
B-
P6014
TO NAAF-7707
(SCH. 5)
P6015
TO NAAF-7707
(SCH. 5)
P6016
TO NAAF-7707
(SCH. 5)
P6012 P6011
P6013
TO NAAF-7707
(SCH. 5)
P6010
Q6024
Q6064
Q6044
Q6023
Q6063
Q6043
Q6025
Q6065
Q6045
Q6026
Q6066
Q6046
P6084
ID+
ID-
P6083
ID+
ID-
P6085
ID+
ID-
P6086
ID+
ID-
P5004A
TO NAAF-7718
(SCH. 4)
P5004C
TO NAAF-7718
(SCH. 4)
P5004D
TO NAAF-7718
(SCH. 4)
P5004B
TO NAAF-7718
(SCH. 4)
P5003B
TO NAAF-7718
(SCH. 4)
P5003C
TO NAAF-7718
(SCH. 4)
P5003A
TO NAAF-7718
(SCH. 4)
C6034
473J/100
C6004
102J
C6033
473J/100
C6003
102J
C6035
473J/100
C6005
102J
C6036
473J/100
C6006
102J
-B1 -B1
+B1
+B1
E
E
E
E
E
E
E
E
E E
E
E
E
E
E
E
E
E
E
E
E
SL
SR
SBR
SBL
NAAF-7706
U21

Other manuals for Onkyo TX-SR800

Related product manuals