EasyManua.ls Logo

Onkyo TX-SR800

Onkyo TX-SR800
88 pages
To Next Page IconTo Next Page
To Next Page IconTo Next Page
To Previous Page IconTo Previous Page
To Previous Page IconTo Previous Page
Loading...
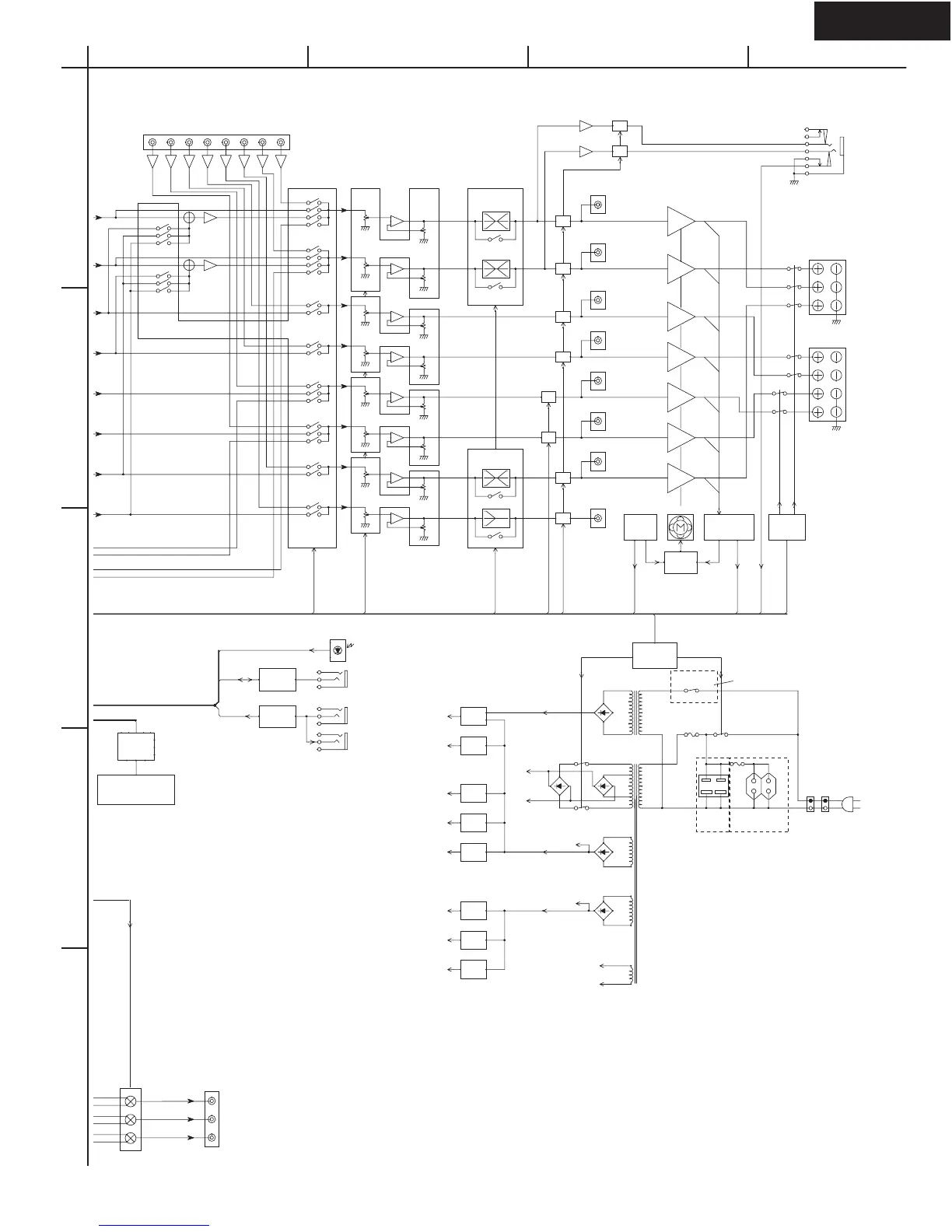
TX-SR800
BLOCK DIAGRAM 2
LEFT
R IGHT
L
EFT
LRCSWSLSRSBLSB
R
FRONT SPEAKERS
L
EFT
AC
OUTL
ET
F
USE
FUS
E
RI
GHT
LEFT
SUBWOOFER
COOLING
FAN
+5 V
V
IDEO
-5V
V
IDEO
+9 V
V
IDEO
RELAY
DRIV
ER
MAIN AMP
+B1/
-B1
-27V
-V
P
FL
AC
FL TUBE
FL
AC
12V TRIGGER
+B
3
RELAY
+B
2
-15V
A
UDIO
+5 V
DS
P
+15V
A
UDIO
MUTE
MUTE
MUTE
MUTE
RELAY
DRI
VER
MUTE
VOLTAGE/CUR-
RENT SENSOR
MUTE
MUTE
MUTE
THER MAL
SENS
OR
FAN
DRIV
ER
RI
INTERFA
CE
+5.6V
ST A N D
BY
Y
CB
CR
REMOTE SENSOR
IR O
UT
I
RIN
RI
T9
02
T9
01
AC I
N
TONE
NJU7306
G
NJU7306
G
-1
-1
LED DRIVE
R
TC94
A07F
TC94
A07F
TC94
A07F
MASTER VOLU ME
TC94A07F
CUT
BO
OST
Z2
L
MC
L
BL
TL
DL
BR
TR
MC
R
DR
Z2
R
D
SBL
M
CSR
M
CSBL
DS
W
M
CSW
DC
MC
C
D
SBR
M
CSBR
DS
R
DS
L
M
CSL
SW
->R
SW
->L
BYPASS
C-
>L
SL
->L
C-
>R
SR
->R
BY P A
SS
BY P A
SS
TV-8
TV-5
POWER
SW
HPEN
Zone 2 LED
Rec Out LED
TC9163
TC9164
+29dB
Power Amplifier
+29dB
11dB
11dB
+29dB
+29dB
+29dB
+29dB
+29dB
HEADPHONE
SURROUND SPEAKERS
SURROUND BACK SPEAKERS
/ZONE 2 SPEAKERS
RIGHT
RIGHT
RIGHT
CENTER
PREOUT
SURROUND
LEFT
SURROUND
RIGHT
SURROUND BACK
/ZONE 2 LEFT
SURROUND BACK
/ZONE 2 RIGHT
CENTER
MUTE
MUTE
BYPASS
MULTI CHANNEL INPUT
COMPONENT VIDEO OUTPUT
IR DE-
MODULATOR
Except 120V/Australian models
AC
OUTLET
120V
model
Other
models
A
1
2
3
4
5
BCD

Other manuals for Onkyo TX-SR800

Related product manuals