EasyManua.ls Logo

Onkyo TX-SR800

Onkyo TX-SR800
88 pages
To Next Page IconTo Next Page
To Next Page IconTo Next Page
To Previous Page IconTo Previous Page
To Previous Page IconTo Previous Page
Loading...
TX-SR800
IC BLOCK DIAGRAMS AND DESCRIPTIONS
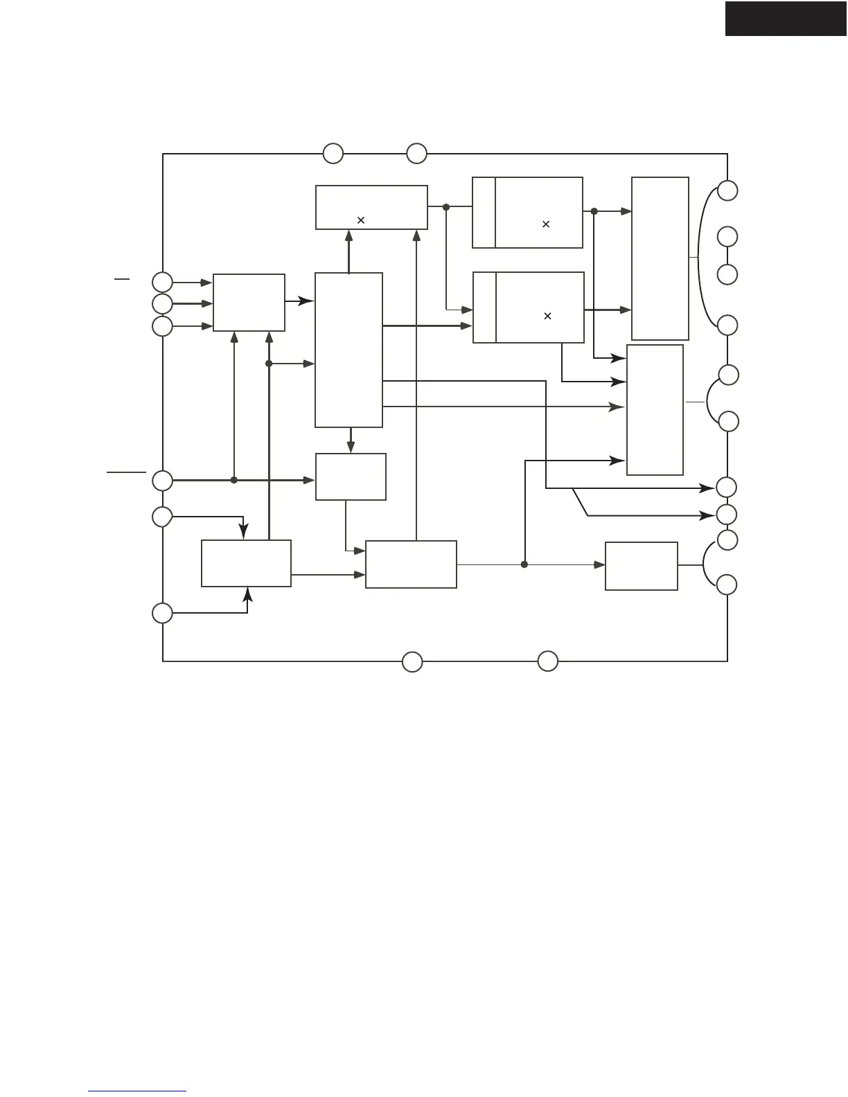
M66005-0001AFP(FL tube drive IC)
~
CS
SCK
SDATA
RESET
Xin
Xout
Vcc1
Vcc2
SERIAL
RECEIVE
CIRCUIT
DISPLAY
CODE RAM
(8 bits
16)
CODE/
COMMAND
CONTROL
CIRCUIT
INDICATOR
CONTROL
REGISTER
CLOCK
GENERATOR
CIRCUIT
DISPLAY
CONTROLLER
RAM
write
code
selector
CGROM
(35 bits 160)
CGRAM
(35 bits 16)
SEGMENT
OUTPUT
CIRCUIT
DIGIT
OUTPUT
CIRCUIT
SEG36
SEG28
SEG27
SEG01
P1
P0
Vss
Vp
DECODER
DECODER
~~
DIG16/SEG40
DIG13/SEG37
~
~
DIG12
DIG01
~
1
12
61
64
22
20
21
13
16
15
14
19
60
59
33
32
~
~
31
23
18
17
SEGMENT/DIGIT
SELECT/OUTPUT
CIRCUIT

Other manuals for Onkyo TX-SR800

Related product manuals