EasyManua.ls Logo

PAC R6000S - Page 93

PAC R6000S
95 pages
Print Icon
To Next Page IconTo Next Page
To Next Page IconTo Next Page
To Previous Page IconTo Previous Page
To Previous Page IconTo Previous Page
Loading...
SOL #1SOL #2
SOL #3
SEE NOTE 3
SEE NOTE 4
SEE NOTE 4
SEE NOTE 4
SEE NOTE 4
SEE NOTE 4
SEE NOTE 4
SEE NOTE 4
SEE NOTE 4
SEE NOTE 4
BK DA PR
PAGE 91 OF 92
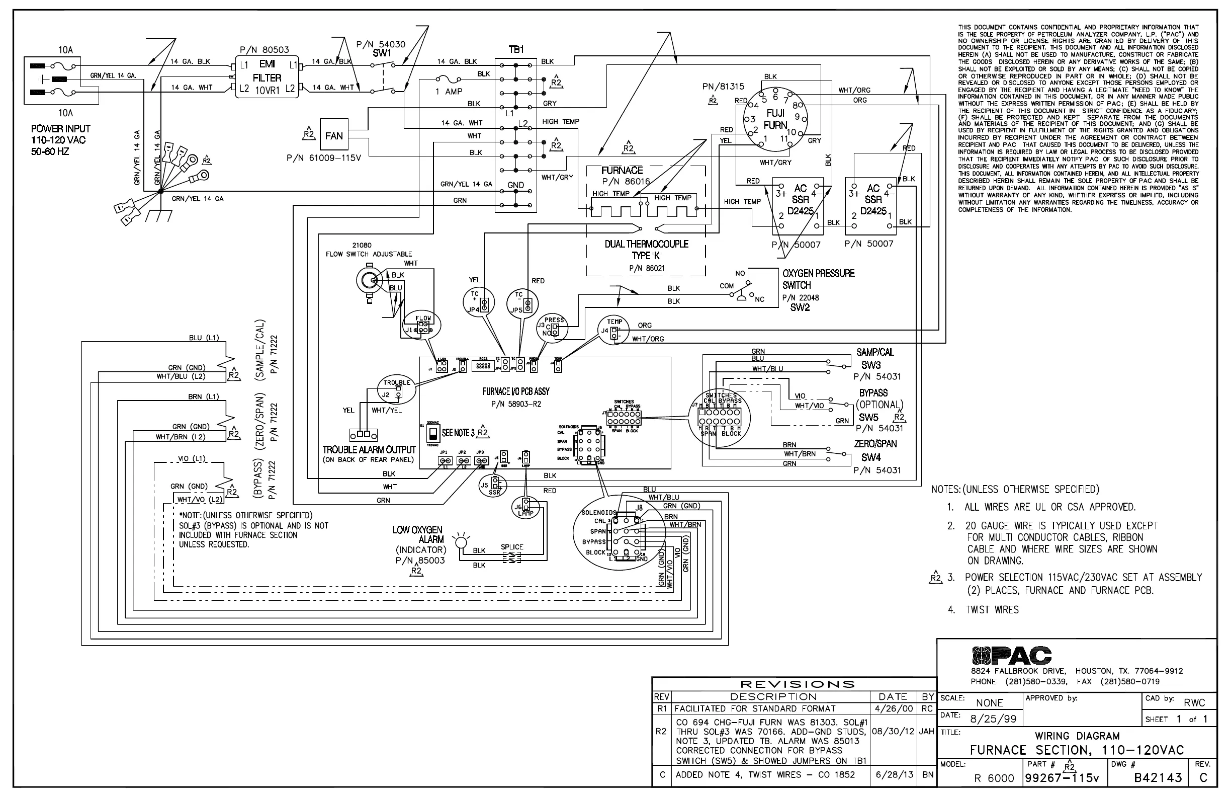
WIRING DIAGRAM FURNACE SECTION
110-120VAC
REF: B42143-C-TP-1/1