EasyManua.ls Logo

Panasonic CS-F14DD3E5 - 7 Wiring Diagram; Cs-F14 Dd3 E5 Cs-F18 Dd3 E5

Panasonic CS-F14DD3E5
105 pages
To Next Page IconTo Next Page
To Next Page IconTo Next Page
To Previous Page IconTo Previous Page
To Previous Page IconTo Previous Page
Loading...
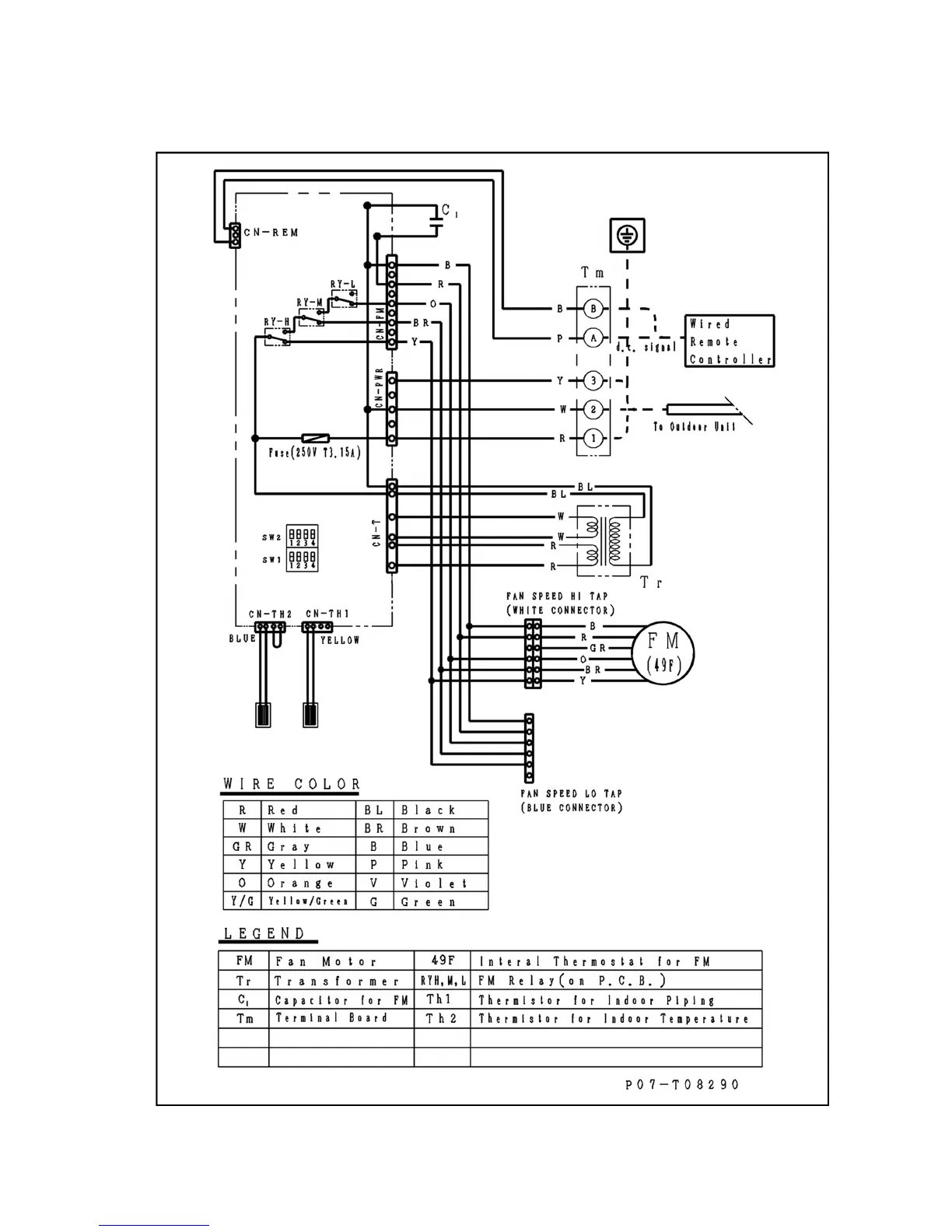
7 WIRING DIAGRAM
7.1. CS-F14DD3E5 CS-F18DD3E5
13

Table of Contents

Other manuals for Panasonic CS-F14DD3E5

Related product manuals