EasyManua.ls Logo

Panasonic CS-F14DD3E5 - During Twin Operation

Panasonic CS-F14DD3E5
105 pages
To Next Page IconTo Next Page
To Next Page IconTo Next Page
To Previous Page IconTo Previous Page
To Previous Page IconTo Previous Page
Loading...
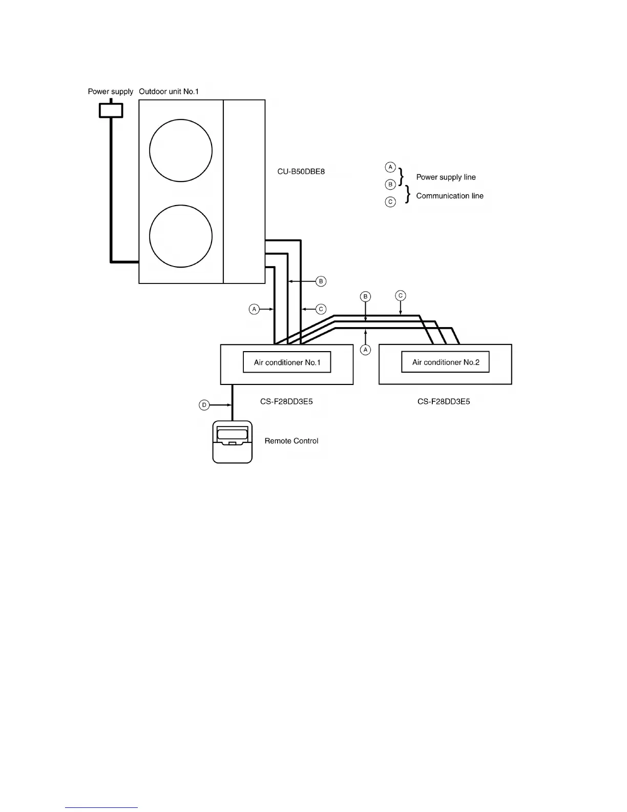
12.2. During twin operation
System example
1. The main power is turned on while the transmission wires between the indoor units are not connected.
(open circuit at section A or B)
Symptom
Remote control unit : "check" flashes
Error code : F30-01 (connected indoor capacity error)
Indoor unit No.1 : LED1 on P.C.B flashes
Indoor unit No.2 : no power supply
Outdoor unit : LED6, 7 on P.C.B flashes (connected indoor capacity error)
2. The main power is turned on while the transmission wires between the indoor units are not connected.
(open circuit at section C)
Symptom
Remote control unit : "check" flashes
Error code : F30-01 (connected indoor capacity error)
Indoor unit No.1 : LED1 on P.C.B flashes
Indoor unit No.2 : no power supply
Outdoor unit : LED5, 6 on P.C.B flashes (connected indoor capacity error)
3. The main power is turned on and the connection wire is all ok.
If operation starts in this condition, combination of the outdoor unit and indoor unit will result in abnormal operation.
Symptom
Remote control unit : "check" flashes
76

Table of Contents

Other manuals for Panasonic CS-F14DD3E5

Related product manuals