EasyManua.ls Logo

Panasonic CS-F14DD3E5 - Cu-B14 Dbe5

Panasonic CS-F14DD3E5
105 pages
To Next Page IconTo Next Page
To Next Page IconTo Next Page
To Previous Page IconTo Previous Page
To Previous Page IconTo Previous Page
Loading...
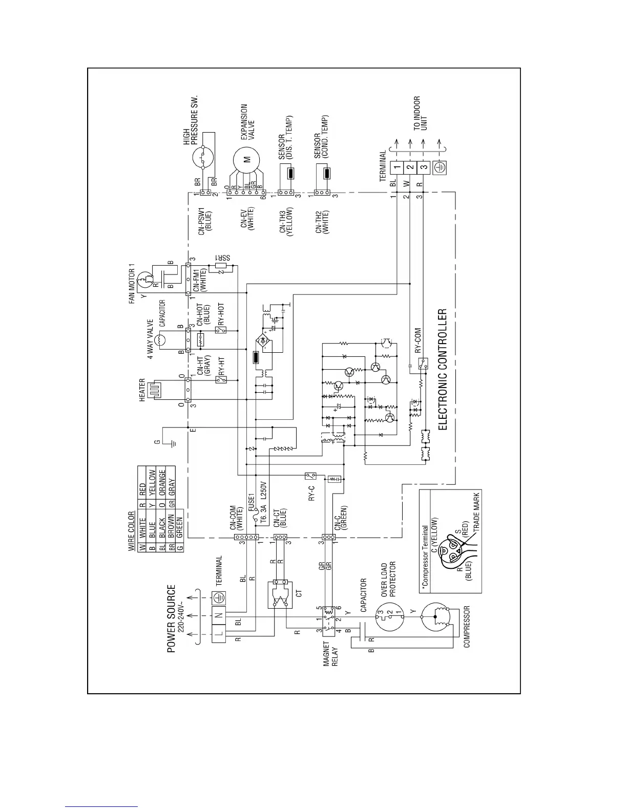
7.2. CU-B14DBE5
14

Table of Contents

Other manuals for Panasonic CS-F14DD3E5

Related product manuals