EasyManua.ls Logo

Panasonic CU-10ME1XPK - Page 437

Panasonic CU-10ME1XPK
643 pages
Print Icon
To Next Page IconTo Next Page
To Next Page IconTo Next Page
To Previous Page IconTo Previous Page
To Previous Page IconTo Previous Page
Loading...
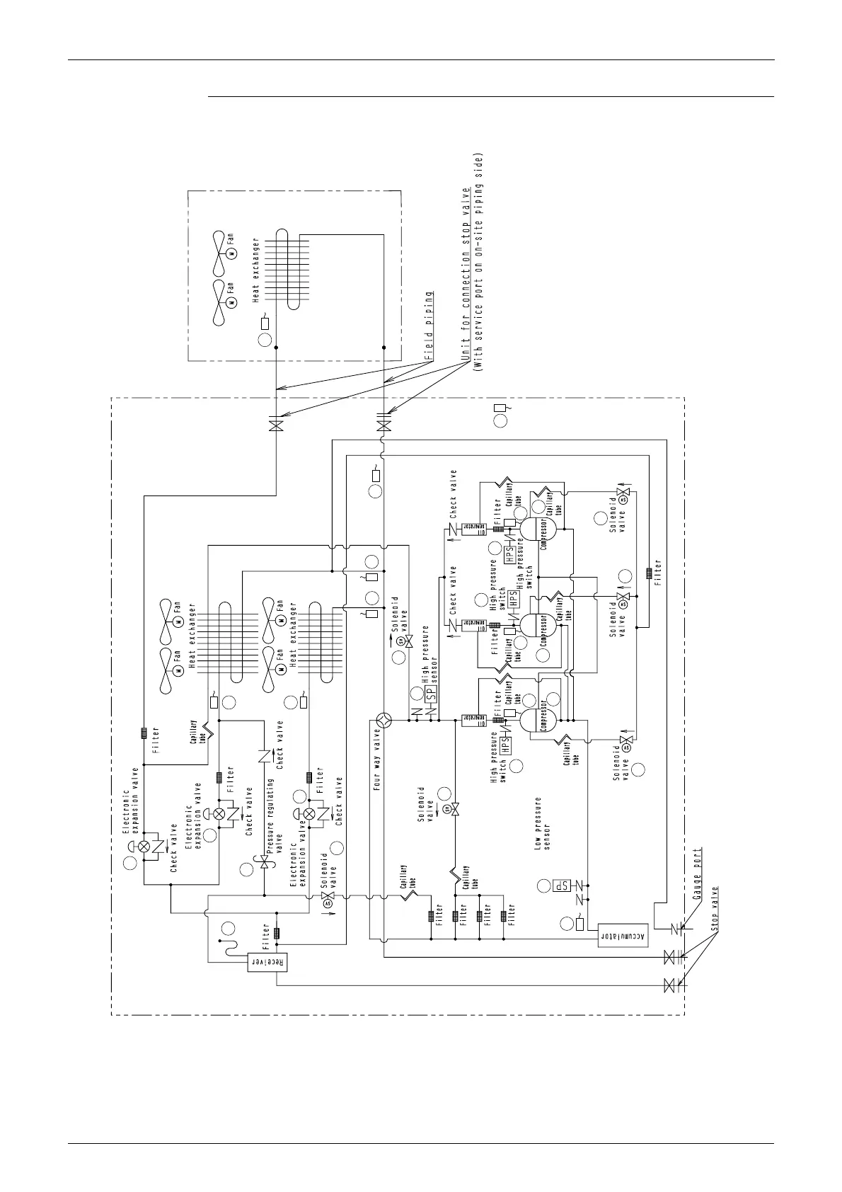
Outdoor Unit Refrigerant System Diagram PACD011001C2
416 Function UM Combination “MA1R Series” Using R-407C
PA-24·26·28·30MA1XPK
(Y3E)
(Y1E)
(Y2E)
L
Y
X
J
K
Q
2
4
10
8
9
M
V
6
B
5
U
N
T
11
A
O
W
7
C
R
P
S
1
3
3D024910

Table of Contents

Other manuals for Panasonic CU-10ME1XPK

Related product manuals