EasyManua.ls Logo

Panasonic CU-10ME1XPK - Ducted Type

Panasonic CU-10ME1XPK
643 pages
Print Icon
To Next Page IconTo Next Page
To Next Page IconTo Next Page
To Previous Page IconTo Previous Page
To Previous Page IconTo Previous Page
Loading...
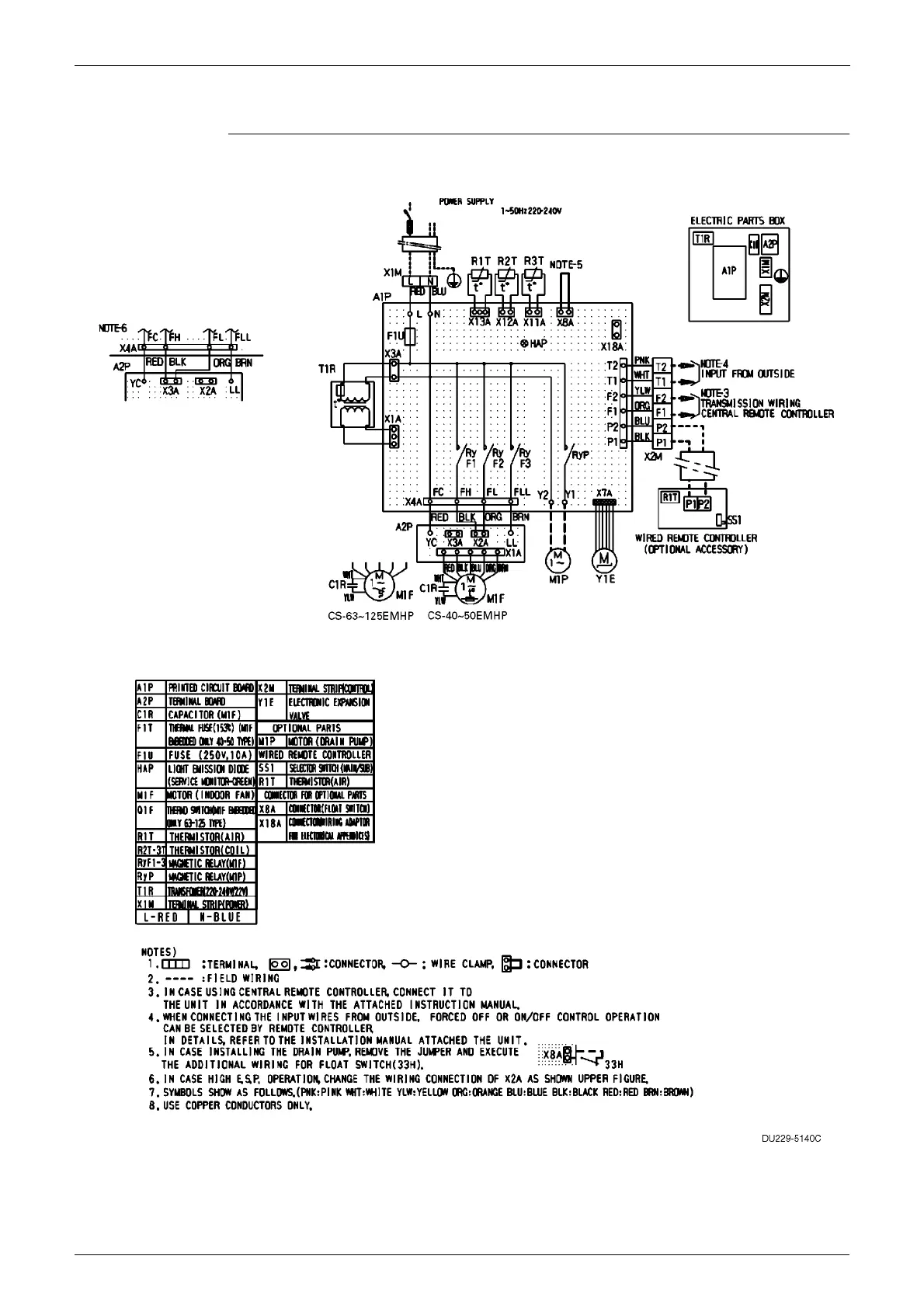
Wiring Diagrams (Indoor Unit) PACD011001C2
578 Appendix
2.5 Ducted Type
CS-40·50·63·80·100·125EMHPK

Table of Contents