EasyManua.ls Logo

Panasonic CU-10ME1XPK - Page 592

Panasonic CU-10ME1XPK
643 pages
Print Icon
To Next Page IconTo Next Page
To Next Page IconTo Next Page
To Previous Page IconTo Previous Page
To Previous Page IconTo Previous Page
Loading...
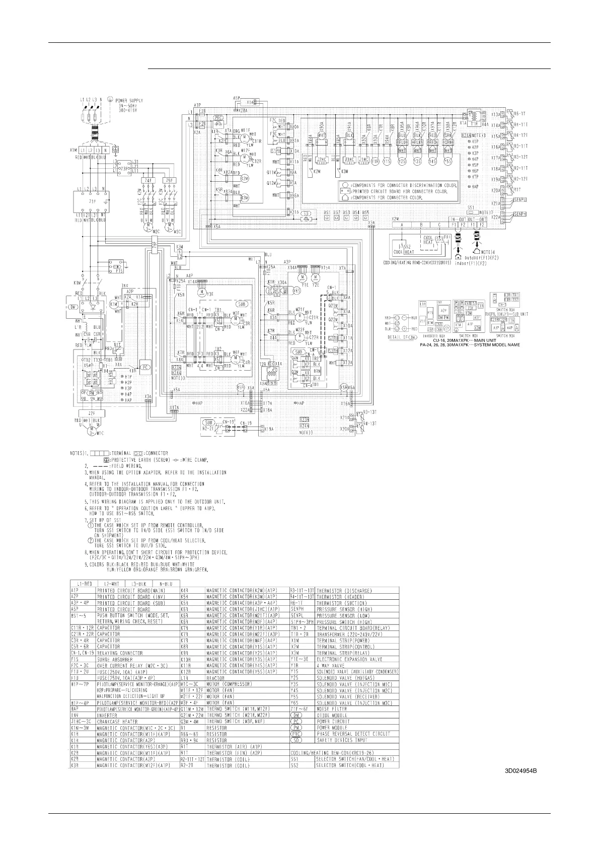
PACD011001C2 Wiring Diagrams (Outdoor Unit)
Appendix 571
PA-24·26·28·30MA1XPK

Table of Contents

Other manuals for Panasonic CU-10ME1XPK

Related product manuals