EasyManua.ls Logo

Panasonic CU-10ME1XPK - Page 615

Panasonic CU-10ME1XPK
643 pages
Print Icon
To Next Page IconTo Next Page
To Next Page IconTo Next Page
To Previous Page IconTo Previous Page
To Previous Page IconTo Previous Page
Loading...
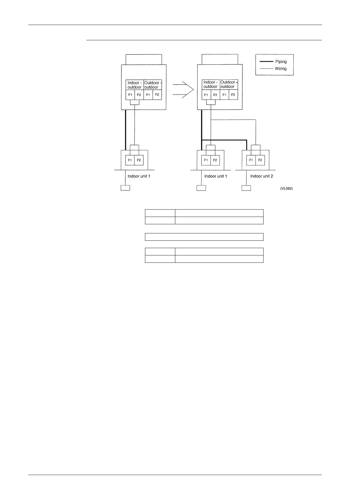
Typical Wiring Mistakes PACD011001C2
594 Appendix
Extended Indoor
Unit
↓
↓
After 12 minutes elapse
10 min. after turning power on
Indoor unit 1 Normal
Indoor unit 2 U4 malfunction
Push and hold RESET button for 5 sec.
Indoor unit 1 Normal
Indoor unit 2 Normal

Table of Contents

Other manuals for Panasonic CU-10ME1XPK

Related product manuals