EasyManua.ls Logo

Panasonic CU-MC140KE - Wiring Diagram; CS-MC90 KE; CU-MC140 KE Wiring Diagram

Panasonic CU-MC140KE
56 pages
Print Icon
To Next Page IconTo Next Page
To Next Page IconTo Next Page
To Previous Page IconTo Previous Page
To Previous Page IconTo Previous Page
Loading...
– 17 –
MAC9702008C2
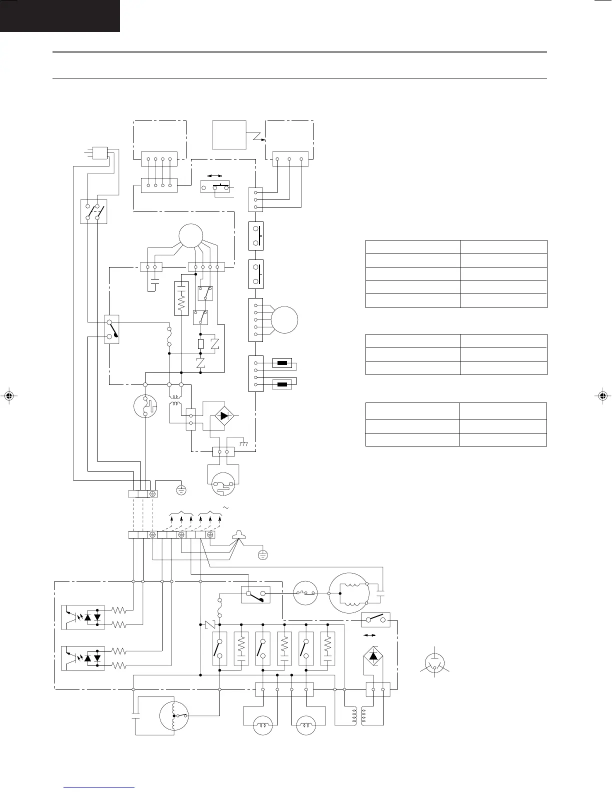
CS-MC90KE
Wiring Diagram
CS-MC90KE / CU-MC140KE
REMARKS:
B : BLUE
BR : BROWN
BL : BLACK
W : WHITE
R : RED
O : ORANGE
P : PINK
Y/G : YELLOW/
GREEN
GRY : GRAY
CONNECTION
YELLOW - BLUE
YELLOW - BROWN
BROWN - ORANGE
ORANGE - RED
CWA92232 ()
495.2
74.5
77.7
370.4
Resistance of Indoor Fan Motor Windings
CONNECTION
BLUE - YELLOW
YELLOW - RED
CWA95354 ()
446.1
474.6
Resistance of Outdoor Fan Motor Windings
Resistance of Compressor Windings
2PS192D2AA02 ()
3.19
5.30
CONNECTION
C-R
C-S
12
TERMINAL
INDOOR UNIT A
CN-RCV(W)
CN-DISP(W)
MAIN SW
432
1234
MOTOR
CN-STM(G) CN-TH(Y)
123454321
(INTAKE TEMP.)
SENSOR
YELLOW
REDBLUE
COMPRESSOR TERMINAL
TRADE MARK
B
B
B
W
W
W
W
Y/G
B
BR
POWER SUPPLY CORD
DISPLAY LAMP
CN-DISP(W)
CONTROL
REMOTE
WIRELESS
CONTROLLER
ELECTRONIC
(RECEIVER)
CN-RCV (W)
AUTO SW
PUMP DOWN SW
TRANSFORMER
RY-C
RY-M
RY-H
ZNR
CN-FM(G)
CAPACITOR
SSR
FAN
MOTOR
P
L
FUSE(3.15A)
BR
W
135
Y
BR
O
13
B
R
T(BL) T(BL)
W
BL
Y/G
P
Y
O
R
BR
BA
REMOTE
CONTROL No.
2
13
4 ELECTRONIC CONTROLLER
(G)
CN-C
1
ELECTRONIC
CONTROLLER
BL
BL
220-240V, 50Hz
LOUVER
3
2
1
7
BL
321
(TEST RUN)
ZNR
OLP (W)
SENSOR
(PIPE TEMP.)
R
R
THERMAL
FUSE
(99°C)
(102°C)
FUSE
THERMAL
RR
W
W
13
CR1
CN-T(W)
CN-FUSE(B)
12 21 NL
R
B
13
B
R
OUTDOOR UNIT
TERMINAL
TO INDOOR
UNIT B
TO POWER SOURCE
240~220V , 50Hz
Y/G Y/G
B
AC(B)
RY-CA
PL
FUSE
3.15A
250V
ZNR1
B
B
R
R
A2
A2
AC(B)
AC(B)
RY-FM
RY-VA1
RY-VA2
CR1
CR2
CR3
SW1
AUTO MANUAL
FM(B) FM(Y) (G) T(BL)
CN-V
T(BL)
1357
B
CAPACITOR
1µF
430V
Y
FAN MOTOR
A
V-COIL COMPLETE
B
BL
BL
R
R
CN-T
TRANSFORMER
OLP
Y
B
COMPRESSOR
A1
A1
AC(R)
AC(R)
Y/G
Y/G
B
W
Y
440V
30µF
CAPACITOR
9740312
CS-MC90KE/CU-MC140KE
A-007.DWG
Untitled-24 6/25/00, 5:31 PM17

Related product manuals