EasyManua.ls Logo

Panasonic DMR-EH65EE

Panasonic DMR-EH65EE
101 pages
To Next Page IconTo Next Page
To Next Page IconTo Next Page
To Previous Page IconTo Previous Page
To Previous Page IconTo Previous Page
Loading...
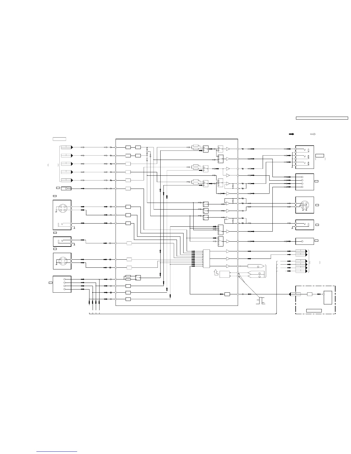
12.2. Analog Video Block Diagram
DMR-EH65EE/GC/GCS/GN
Analog Video Block Diagram
V/Y IN DM
CPN CIN DM
MAIN P.C.B.
1.0V
2.3V
5V
:PB SIGNAL:REC SIGNAL
CLAMP
V
TUNER
30
INTERLACE
PROGRESSIVE/
VIDEO OUT
COMPONENT
Y
PB
PR
5
6
JK3903
4
2
1
3
RED/C15
VIDEO/Y19
GREEN11
(TV)
AV1
BLUE7
21PIN JACK
JK3801
AV4
C
Y
S-VIDEO
JK3001
9
10
AV4
VIDEO OUT
JK3001
15
13
(DECODER/EXT)
AV2
VIDEO19
21PIN JACK
JK3901
TUNER P.C.B.
U/V TUNER
TU7801
18
OUT
VIDEO
Q7802
BUFFER
DIGITAL P.C.B.
TO
PP7401 PS7801
2
P59001P7402
59
63
P7402 P59001
P59001P7402
83
88
P7402 P59001
P59001P7402
84
87
P7402 P59001
LOGIC
IIC BUS
SDA
89
SCL
88
SECTION
TIMER
FROM/TO
IIC DATA
IC7501- 30
29IC7501-
IIC CLK
BQ7501,Q7503-
SLICER
(SW10)
CLAMP
CLAMP
CLAMP
CLAMP
BIAS
CLAMP
SLICER
85
OUT
ADC
V/Y
83
OUT
C-ADC
81
TUNER V
AV2 V/Y
AV2 R/C
AV3 V
AV3 C
AV3 Y
AV1 V
CIRCUIT
SWITCH
SELECT
OUTPUT
ADC
OUT
V
AV2
28
SV2
e
d
c
b
a
OUT
V/Y/C
AV1
26
SV1
e
d
c
b
a
a
b
(SW9)
OUT
V
AV4
24
23
a
b
(SW8)
OUT
C
AV4
22
(SW7)
a
b
OUT
Y
AV4
20
19
OUT
G
AV1
17
6MHz
(SW5)
12MHz
a
b
c
15
OUT
Y
COMP
14
(SW6)
a
b
c
d
OUT
B
AV1
12
OUT
B-Y
COMP
11
6MHz
(SW4)
12MHz
a
b
c
d
OUT
R-C
AV1
9
(SW3)
a
b
c
(VIDEO PROCESSOR)
IC3001
OUT
R-Y
COMP
7
(SW2)
a
b
c
(SW1)
12MHz
6MHz
CLAMP
BIAS
CLAMP/
CLAMP
BIAS
CLAMP/
+
LPF
6MHz
CLAMP
BPF
6MHz
BIAS
a
b
CLAMP
BIAS
c
b
a
AV2 V/Y
AV2 B
AV2 G
AV2 R/C
AV3 V
AV3 C
AV3 Y
AV1 V
AV2 V/Y
< B >
< RGB CPSV >
< R >
< G >
AV2 B
AV2 G
AV2 R/C
AV3 V
AV3 C
AV3 Y
31
5
3
1
(DECODER/EXT)
AV2
VIDEO/Y
BLUE
GREEN
RED/C
20
7
11
15
21 PIN JACK
JK3901
VIDEO IN
37
S-VIDEO IN
45
AV3
FRONT JACK
JK3002
41
8
7
4
3
2
1
4
3
33
99
97
95
93
91
AV1 VIDEO
(TV)
AV1
20
21 PIN JACK
JK3901
FROM
DIGITAL P.C.B.
DIGITAL VIDEO
BLOCK SECTION
BPBOUT DM
GPYOUT DM
RPROUT DM
Y OUT DM
C OUT DM
P59001
55
P7402
P7402P59001
51
47
P59001 P7402
39
P59001 P7402
43
P7402P59001
DIGITAL VIDEO
BLOCK SECTION
14
15
35
JK3001
REAR JACK
AV4
VIDEO
IN
4
31
24
3
S-VIDEO IN
39
JK3001
S-VIDEO
AV4
43
Y
C
AV4 V
AV4 Y
AV4 C
AV4 V
AV4 Y
AV4 C
AV4 V
AV4 Y
AV4 C
CLAMP
BIAS
CLAMP
< R >
< B >
< RGB CPSV >
< G >
DMR-EH65EE / DMR-EH65GC / DMR-EH65GCS / DMR-EH65GN
47

Table of Contents

Related product manuals